Zum Inhalt springen
Werbung - Warum schalten wir Werbung?
Unterstütze per PayPal

ce9

Members
  • Gesamte Inhalte

    32
  • Benutzer seit

  • Letzter Besuch

Über ce9

  • Geburtstag 08.05.1978

Persönliches

  • Homepage
    http://www.mcflaeming.de

Mein Auto

  • Fahrzeug
    Honda Accord
  • Modell
    CE9
  • Baujahr
    1996

Leistungen von ce9

Newbie

Newbie (1/14)

10

Reputation in der Community

  1. hallo, klar kannst du beim einspritzer den fahlercode auslesen. es gibt ne seite im netz, da sind allerdings nur die vom civic / crx drin. ich tippe mal fsat auf das eacv. macht er das mit der niedrigen leerlaufdrehzahl nur wenn er warm ist oder auch wenn er kalt ist? grüße
  2. ich glaube ihm ist der hebel abgebrochen.. in deinem fall würde die lampe gar nicht leuchten. am einfachten ist imho den kontakt ausbauen und den stecker abziehen.dann haste ruhe. grüße ce9
  3. hört sich an, als hättest du das beim honda noch nicht gemacht. wenn das so einfach geht hast du richtig mehl gehabt. für die sechskannte gibt es bei honda spezialschlüssel. vielleicht leihen die dir den (ist selten hab ich aber scho erlebt). an den schrauben sind schon etliche hobbyschrauber und sogar freie werkstätten gescheitert. ich kann mich an nen bastler erinnern, der hat 5 panzernüsse und 2 verlängerungen eingebüßt. auch reihenweise schlagschrauber sind dran gescheitert. was immer geht ist riemenscheibe mit dem spezial- oder eigenbauwerkzeug halten. dann gutes werkzeug und am besten 2 m rohr ;). grüße ce9
  4. stimmt, bei honda heißt der kram auch mtf (heißt ja nix weiter als manual transmission fluid und atf für automatik. allerdings wurde, da wo ich gearbeitet hab auch immer 10w40 eingefüllt. schau doch mal nach, ob dein getriebeölstand stimmt. bzw ob es irgendwo saut. meist am simmering an den antriebswellen. wenn es ganz dumm kommt ist der innere simmering an der kupplung hin. oder wurde erst getriebeöl gewechselt?! dann kann es sein, dass falsches drin ist. grüße ce9
  5. rost ist bei beiden an den hinteren radläufen. beim cc7 gab es da mal einen rückruf. da solltest du in den motorraum auf die fahrgestellnummer achten. über dem u muss da ein körnerschlag sein. ansonsten sind beim cc7 gern mal die dämpfer und die stoßdämpferbuchsen hin. ansonsten sehr robuste technik. gilt für beide. den cb wirst du wohl nur mit zigtausend km auf der uhr finden. vom verbrauch her sind bei gleicher fahrweise die 2.0er meist etwas sparsamer. mein opa hatte nen cc7 und ist mit dem locker unter 8 liter gekommen. ich hab jetzt nen ce9 der liegt im normalen schnitt bei 8.4, sparsam 7,2 und sportlich 10.9 öhnlich dürfte der cc auch liegen. vmax weiss ich nicht, ich glaub der is mit 205 angegeben. mehr echte km/h dürften auch nicht drin sein (ce 212km/h, laut navi genau 213km/h auf gerader strecke). versicherungskosten kommen ja auch auf versicherung und einstufung an. da ist es am besten, du lässt dir mal n unverbindliches angebot machen. aufgrund der altersstufung ist der cb aber bestimmt teurer. grüße ce9
  6. die tachowerte sind doch hausnummern... bei meinem ed6 wich der im vergleich zum gps fast 15 km/h ab. beim ce9 passt es fast. der zeigt bei 220 tacho ca. 212 an und oh wunder so isser auch angegeben. mit bergab sonne aufn tank heimweh und kneipe in sicht rennt er auch 235 laut tacho, das sind dann gps 222. alles stock. ce9
  7. min 7,2 ; max 10,9 ; durchschnitt 8,2 (16km arbeit hin und zurück) ce9
  8. ich weiss nicht, ob das beim atr auch so ist. evtl ist der deckel am kühler defekt. da ist irgendein ventil drin, was den austausch regelt. das könnte in einer richtung klemmen. ce9
  9. wenn ich das richtig interpretiere, dann ist die scheibe nicht aus der führung, sondern die befestigungen in der schere haben sich gelöst. falls die dinger durch das probieren schon gebrochen sind kannst du dich schon mal auf den erwerb einer neuen scheibe "freuen" ;). die verkleidung muss leider runter, sonst kommst du nicht ran. das leckerste dabei ist die folie hinter der verkleidung. grüße ce9
  10. ich denke mal er meint tatsächlich die längslenkerbuchsen. und die gibt es imho wirklich nur mit kompletten lenker.. kostet bei honda 400?! euro oder so. n kumpel hatte das selbe problem beim rover 623... baugleich dem cc7 da haben wir hondahändler zubehörlieferanten u.ä. abgeklappert. im endeffekt sind es dann 2 gut gebrauchte lenker geworden... ce9
  11. ich hätte ja nie gedacht, dass ich das mal erleb, aber ich hab echt von nem freundlichen den original ausdruck (bzw. kopie bekommen) passend für ce9. scheint 4polig zu sein aber son stecker ist bei mir an der a säule rechts. grüße ce9
  12. hallo, ja da sollte er laut handbuch auch sein. aber der einzige, der da ist ist für den airbag. zumindest leuchtet nur die srs leuchte, wenn ich den brücke. ich hab schon die verkliedung abgebaut. kabelbaum ja stecker nein.... komisches ding. ce9
  13. Hallo, wo ist beim ce9 der 2polige servicestecker für das abs? mfg ce9
  14. manchmal werden die bei gebrauchten (absichtlich?!) verschlampt oder die kunden denken bei der abgabe nicht dran. drin stehen tut es da aber auf jeden fall. grüße ce9
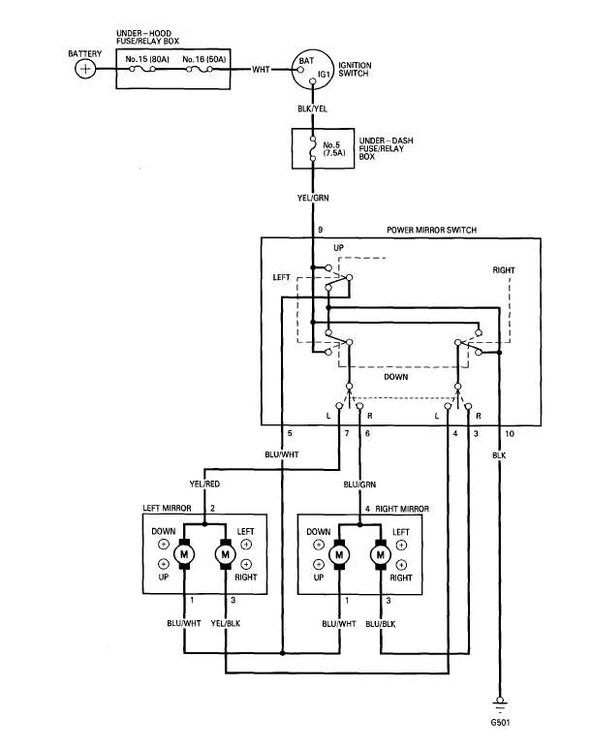
  15. hilft das?? grüße ce9
×
×
  • Neu erstellen...

Wichtige Information

Wir haben Cookies auf Deinem Gerät platziert. Das hilft uns diese Webseite zu verbessern. Du kannst die Cookie-Einstellungen anpassen, andernfalls gehen wir davon aus, dass Du damit einverstanden bist, weiterzumachen.