Zum Inhalt springen
Werbung - Warum schalten wir Werbung?
Unterstütze per PayPal

Empfohlene Beiträge

Geschrieben

Hi,

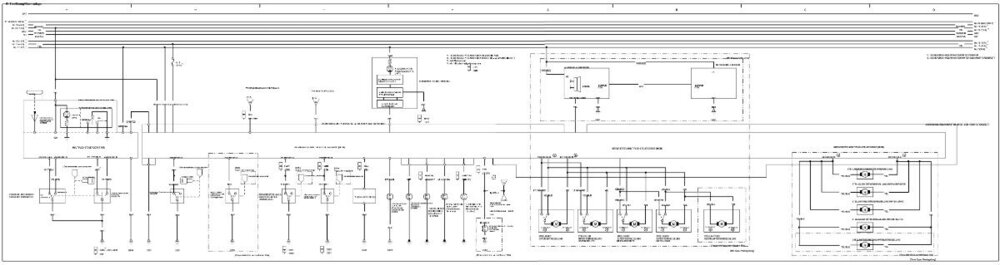
ich habe einen Accord Tourer CM7 und folgendes Problem:

Ein "stiller" Stromverbraucher leert über Nacht die Batterie.

Der Bosch Dienst hat den Fehler auf den Schaltkreis, welcher mit der 40A Sicherung der Zentralverriegelung im Sicherungkasten im Motorraum abgesichert ist, eingekreis.

Hat jemand einen Hinweis, wo ich diesen bekommen kann? der Bosch Dienst kommt nicht dran.

Der lokale Honda Vertragspartner, bietet nur an ganz von vorn mit der Fehlersuche zu beginnen.

 

Ich bin für jede Hilfe dankbar!

Beste Grüße!

Werbung - Warum schalten wir Werbung?
Unterstütze per PayPal

Dein Kommentar

Du kannst jetzt schreiben und Dich später registrieren. Wenn Du ein Konto hast, melde Dich jetzt an, um unter Deinem Benutzernamen zu schreiben.

Gast
Auf dieses Thema antworten...

×   Du hast formatierten Text eingefügt.   Formatierung jetzt entfernen

  Nur 75 Emojis sind erlaubt.

×   Dein Link wurde automatisch eingebettet.   Einbetten rückgängig machen und als Link darstellen

×   Dein vorheriger Inhalt wurde wiederhergestellt.   Editor leeren

×   Du kannst Bilder nicht direkt einfügen. Lade Bilder hoch oder lade sie von einer URL.

×
×
  • Neu erstellen...

Wichtige Information

Wir haben Cookies auf Deinem Gerät platziert. Das hilft uns diese Webseite zu verbessern. Du kannst die Cookie-Einstellungen anpassen, andernfalls gehen wir davon aus, dass Du damit einverstanden bist, weiterzumachen.