Zum Inhalt springen
Werbung - Warum schalten wir Werbung?
Unterstütze per PayPal

Empfohlene Beiträge

Geschrieben

Habe einen CN1 BJ 2004

Und seit einer Woche Probleme

 

Manchmal ist kurzzeitig keine (weniger) Leistung mehr da bei Drehzahl ca. 1500 - 2500.

Ist wie ein kurzes Ruckeln, so ähnlich als wenn die Klimaanlage zuschaltet.

Tritt unregelmäßig auf.

 

Oben raus beschleunigt er noch einwandfrei. Habe da allerdings heute gemerkt das er dabei auch wie verrückt rußt.

 

Hatte ihn diese Woche 3 Tage in der Werkstatt bei Honda.

Kein Fehler auslesbar, die haben ein Update aufgespielt und Dieselfilter gewechselt - 200 EUR los und Ergebnis gleich Null.

Meinten nur könnte noch die Kraftstoffpumpe sein (meinten wohl den Turbo ?, soll 2500 EUR kosten).

 

Habt ihr noch Ideen?

Werbung - Warum schalten wir Werbung?
Unterstütze per PayPal
Geschrieben

Update? Tät mich nicht wundern wenn das so ne Leistungsbeschneidung war. Hast du mal nachgefragt was mit dem Update verändert wurde?

Vielleicht ist es auch einfach ein kaputter Ansaugschlauch. Da hast du auch Leistungsabfall und Russbildung.

Ich hatte auch mal ähnliche Symptome und bei mir kam irgendwann tatsächlich der Turbo.

ps: wenn du eine Dieselpumpe brauchen solltest hab ich noch eine hier.

Ersatzteile neu und gebraucht für folgende Modelle auf Lager:

AA, CC, CB, CG, CH, CL, CM,CN, CU, CW, EG, EH, EJ, EK, EP, EU, EV, FK, FN, GD, MA, MB, MC, RE, SB. klick :))

 

Besuch mich auch auf Facebook unter Soichiros.Parts . :wink:

Geschrieben

Irgend eine Druck haben sie noch gemessen welcher auch i.O. ist.

Das Update ist BDE 350.

 

Nähere Infos kann ich erst am Montag liefern wenn wieder die Werkstatt besetzt ist

Geschrieben

Der Mechaniker hat auch nicht rausgefunden was das Update genau macht.

Und den Meister habe ich heute ganz vergessen danach zu fragen.

 

Denn der meinte nun soll noch mal vorbei kommen, sie wollen nach Rücksprache mit Honda nun die AGR überprüfen.

 

Mir ist nun auch aufgefallen das ich schon seit mehreren Monaten einen um ca. einen Liter höheren Verbrauch habe.

Geschrieben
Meinst du das AGR-Ventil? Kannst du auch selber ausbauen und reinigen bei Bedarf.

Ersatzteile neu und gebraucht für folgende Modelle auf Lager:

AA, CC, CB, CG, CH, CL, CM,CN, CU, CW, EG, EH, EJ, EK, EP, EU, EV, FK, FN, GD, MA, MB, MC, RE, SB. klick :))

 

Besuch mich auch auf Facebook unter Soichiros.Parts . :wink:

Geschrieben

Keine Ahnung was die da genau meinen, wenn es kaputt sein sollte soll es wohl bis 400€ kosten.

Wie ich verstanden habe wollen die wohl mit verschiedenen Tests erstmal prüfen was nun wirklich kaputt ist. Hoffentlich bekommen sie das hin ohne irgendwas preisintensives umsonst zu wechseln.

 

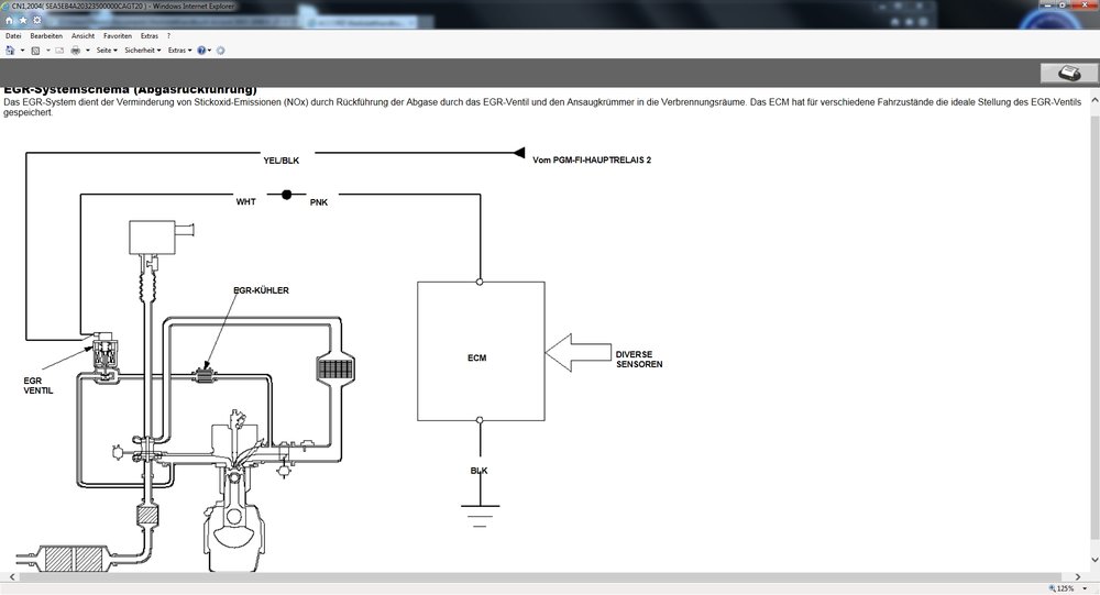
Wo ist denn das AGR-Ventil?

Früher am Civic hab ich ja ab und zu selber geschraubt, aber am Accord überhaupt noch nicht. Mache eigentlich mehr in Elektronik...

Geschrieben
Das Update verändert die Leerlaufdrehzahl nach unten. Damit soll der Turbo weniger beansprucht werden. Hat aber zur Folge, das er nun schlechter beschleunigt, ausser Du trittst stärker aufs Gaspedal vor dem Kupplungspedal frei geben :(.
Geschrieben

Das Update selber kostet ja 80 € netto, ganz schön happig für sowas.

 

Greift der Turbo eigentlich erst bei einer bestimmten Drehzahl oder ist der von unten raus schon in Betrieb?

 

Fahre ich mit 3500 U/min ist soweit alles normal, da qualmt er nicht mal. Das ist nur drunter und drüber

Geschrieben

Die Frage mitm Turbo kannste dir selbst beantworten.

Fahre im 3. Gang 900u/min und tritt mal voll drauf, da merkste was ein Diesel ohne Turbo so alles anrichtet. Demzufolge merkst du auch wann der Turbo dann einsetzt.

 

Wenn du das Gaspedal hälst bei 3500 rußt nichts, weil nichts eingespritzt wird und der Turbo quasi im wartemodus steht. Es rußt ja erst wenn was passiert ;). Turbo kann man schnell checken. LL Schlauch ab und Wellenspiel prüfen. Ölstand gucken. Vielleicht haste auch nen Riss im Krümmer usw. Kann viele Ursachen haben, nen Softwareupdate behebt sowas natürlich nicht, es sei denn der Wagen ist extrem stark gechippt und läuft weit über seinem Level.

Geschrieben

Wenn ich es selber beantworten kann hätte ich ja nicht gefragt.

Ursprung war ja das Ruckeln bei ca. 2000 U/min. Darum meine Frage ob das da überhaupt der Turbo sein kann?

 

Wieso wird bei 3500 nichts eingespritzt?

Verstehe ich ja jetzt gar nicht.

Es rußt ja gerade bei 3000 auch wenn ich nur so "dahinrolle". Dazu brauche ich nicht unbedingt zu beschleunigen. Und ein Stück drüber schon nicht mehr

 

Und den Turbo merkt man schon wenn er einsetzt, IMHO sogar jetzt nach dem Update stärker als vorher. Der kommt halt etwas später (bezogen auf Gaspedalweg) aber kräftiger.

 

Wenn man den Turbo so leicht überprüfen kann da frage ich mich warum das die Werkstatt nicht gemacht hat. Habe das Auto ja schon wie ich dachte in die "beste" Hondawerkstatt vor Ort gebracht. Haben die alle keine Ahnung mehr von der Technik und gucken nur auf ihren Computer?

Da hätte ich das Auto ja auch zu meinem ehemaligen Hondahändler bringen können wo es um einiges preiswerter ist :(

Geschrieben

Ich hatte das Wellenspiel bei meinem auch geprüft und es war gut. Ein Jahr später hat er die Hufe hoch geschlagen. Ich hatte auch mal n zerbissenen Ansaugschlauch. Da hast du natürlich auch erstmal Leistungsverlust bis der Druck so hoch ist, daß der Verlust durch das Loch kompensiert werden kann.

Folglich läuft er zu fett und rußt a la VAG.

 

Haben die alle keine Ahnung mehr von der Technik und gucken nur auf ihren Computer?

 

So sieht's (fast) aus. Es werden ja auch nur noch Baugruppen gewechselt statt repariert (wenn möglich).

Ist zumindestens sicher nicht nur mein Eindruck.

Ersatzteile neu und gebraucht für folgende Modelle auf Lager:

AA, CC, CB, CG, CH, CL, CM,CN, CU, CW, EG, EH, EJ, EK, EP, EU, EV, FK, FN, GD, MA, MB, MC, RE, SB. klick :))

 

Besuch mich auch auf Facebook unter Soichiros.Parts . :wink:

Geschrieben

Ich selbst bin industiemechaniker und kann sagen das wir auch oft nur noch baugruppen tauschen an den lokonotiven , den oft hast du garnicht die Möglichkeit oder Zeit datzu etwas zu zerlegen

Oder di darfst es garnicht öffnen da es die Hersteller verbieten und du es einschicken musst.

Oft fehlen auch bestimmte Prüfstände in Werkstätten da sie zu teuer sind und sich nicht rentieren wenn 1 mal die Woche jemand mit so einem defekten Bauteil kommt.

[sIGPIC][/sIGPIC]CN 1 Exe *___*....trift den nagel auf den kopf .. kauf dir keinen vw weils alle machen, sei individuell :cool:
Geschrieben

Ein weiteres Prob ist die Garantie/Gewährleistung und wirtschaftliche Gründe/Zwänge.

 

Allein schon aus kalkulatorischer/unternehmerischer Sicht macht es Sinn, gleich das gesamte Bauteil zu tauschen.

 

Das bedeutet zum einem geringere variable Kosten als auch eine Absenkung der Fixkosten, da weniger Lagerhaltung betrieben und die Werkstattausstattung verringert wird.

 

Ist für den Unternehmer gut und der Kunde kann sich i.d.R. auf volle Funktionalität eines Neuteiles verlassen. Aus Kostensicht natürlich zwiespältig ;)

Geschrieben

Gestern bin ich mal 100 km Autobahn gefahren.

Bei 200 km/h merke ich nichts davon daß was kaputt sein könnte. Außer vll. das die letzten 10 km/h fehlen (?)

Dann kam die Baustelle und bei 90 km/h dahinrollen fängt er wieder an mit nebeln.

 

Na habe ihn heute noch mal in die Werkstatt geschafft. Bin mal gespannt was dabei rauskommt...

 

Angeblich haben die beim Accord noch nie den Turbo gewechselt, einmal einen beim Civic.

Geschrieben

Werkstatt hat gerade angerufen.

 

AGR-Ventil kaputt. Stellt sich nicht zurück

Soll 950,- € kosten.

 

Geht das viel preiswerter in einer freien Werkstatt

Was kostet denn das Teil?

Geschrieben

Könnt dir ein gebrauchtes verkaufen aber bin jetz 2Wochen nicht zu Hause.:(

Wenn du solang warten kannst könnt sich das für dich lohnen.

Ersatzteile neu und gebraucht für folgende Modelle auf Lager:

AA, CC, CB, CG, CH, CL, CM,CN, CU, CW, EG, EH, EJ, EK, EP, EU, EV, FK, FN, GD, MA, MB, MC, RE, SB. klick :))

 

Besuch mich auch auf Facebook unter Soichiros.Parts . :wink:

Geschrieben

Ich frage mich ab das nur das Ventil ist oder hängt da noch irgend eine Baugruppe dran welche bei mir noch mit gewechselt werden muß.

 

Habe gerade mit meiner alten Hondawerkstatt telefoniert und die meinten das AGR-ventil alleine steht da mit 218,- € in der Liste.

 

Wo kommt der Unterschied 218,- contra 724,- her?

Geschrieben (bearbeitet)

Vielleicht haben die in meiner alten Hondawerkstatt auch das falsche Teil rausgesucht, nach Honda-Artikelnummer

18710RBDE01

kommen die auf den gleichen Preis.

 

Im freien Handel finde ich das Teil nirgends.

Hat möglicherweise jemand eine preiswertere Bezugsquelle?

 

Ist das AGR-Ventil direkt vorn auf dem Motorblock drauf? Da würde man ja ganz leicht rankommen.

War gerade bei einem Bekannten der hatte nur die Fahrzeuginfos zum FR-V CTDi im Computer welcher wohl vergleichbar sein soll. Da ist das jedenfalls so.

 

Braucht man da noch eine neue Dichtung wenn man das wechselt?

 

Und noch eine Frage:

Habe jetzt schon verschiedentlich gelesen das manche das Loch sozusagen einfach zu machen. Ob sinnig oder nicht ist ja erstmal egal.

Bei mir soll es ja offen stehen.

Ist es möglicherweise besser das vorrübergehen auch mit einem Blech zu verschließen um bessere Fahreigenschaften zu haben? Also ich meine jetzt daß das Ruckeln erst mal weg ist bis ich Austausch habe.

 

@soichiro's freund hast Post

Bearbeitet von Fraenky
Geschrieben
ich hab dir mal die anordnung angehangen vieleicht hilft dir das bei deiner entscheidung und wo es siehts müsstest du sofort sehn wenn du vorne unter dem motordeckel guckst

1819005945_EGR-Stystem(AGR).thumb.jpg.c3ad581d60b350ab0e2f2de46e999b52.jpg

1055777738_EGR-System(AGR)2.thumb.jpg.aed8648d4976f655d25d75d0e786338c.jpg

[sIGPIC][/sIGPIC]CN 1 Exe *___*....trift den nagel auf den kopf .. kauf dir keinen vw weils alle machen, sei individuell :cool:
Geschrieben

Kann ich mir nicht vorstellen. Das Ventil kostet schon so wie du erst geschrieben hast.

Das Ventile ist Nr.1. Nr.7 ist die Kühlleitung. Kostet beides gleich.

Das Ventil sitzt links neben dem Luftfilterkasten.

image.thumb.jpg.164a1faac742e3fb5802e03454f755f0.jpg

Ersatzteile neu und gebraucht für folgende Modelle auf Lager:

AA, CC, CB, CG, CH, CL, CM,CN, CU, CW, EG, EH, EJ, EK, EP, EU, EV, FK, FN, GD, MA, MB, MC, RE, SB. klick :))

 

Besuch mich auch auf Facebook unter Soichiros.Parts . :wink:

Geschrieben

Jetzt habe ich das Auto erst mal wieder zusammen schrauben lassen bis ich Ersatz habe - da kommt die nächste Hiobsbotschaft von der Werkstatt:

 

Jetzt läuft er nur noch im Notlaufprogramm, max. 90 km/h.

Was ist denn das für ein Mist

Dein Kommentar

Du kannst jetzt schreiben und Dich später registrieren. Wenn Du ein Konto hast, melde Dich jetzt an, um unter Deinem Benutzernamen zu schreiben.
Hinweis: Dein Beitrag muss vom Moderator freigeschaltet werden, bevor er sichtbar wird.

Gast
Auf dieses Thema antworten...

×   Du hast formatierten Text eingefügt.   Formatierung jetzt entfernen

  Nur 75 Emojis sind erlaubt.

×   Dein Link wurde automatisch eingebettet.   Einbetten rückgängig machen und als Link darstellen

×   Dein vorheriger Inhalt wurde wiederhergestellt.   Editor leeren

×   Du kannst Bilder nicht direkt einfügen. Lade Bilder hoch oder lade sie von einer URL.

×
×
  • Neu erstellen...

Wichtige Information

Wir haben Cookies auf Deinem Gerät platziert. Das hilft uns diese Webseite zu verbessern. Du kannst die Cookie-Einstellungen anpassen, andernfalls gehen wir davon aus, dass Du damit einverstanden bist, weiterzumachen.