Werbung - Warum schalten wir Werbung?
Unterstütze per PayPal
Alle Aktivitäten
Dieser Stream aktualisiert sich automatisch
- Letzte Woche
-
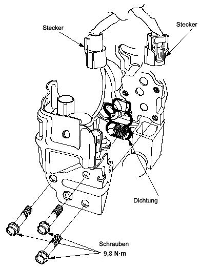
Beim Ausbau des VTEC-Magnetventils kann eine kleine Menge Öl austreten. - Stecker des VTEC-Magnetventils und den Stecker des VTEC-Öldruckschalters abziehen (2x) - Die 3x Schrauben/10-mm-Schrauben entfernen - Das VTEC-Magnetventil abnehmen und die alte Dichtung vorsichtig z. B. mit einem flachen Schraubendreher heraushebeln. Die Kontaktflächen am Motor und am Ventil gründlich mit Bremsenreiniger und einem fusselfreien Tuch reinigen. - Das Ventil in umgekehrter Reihenfolge des Ausbaus mit einem neuen Magnetventilfilter einbauen. Schrauben: Anzugsdrehmoment 9,8 Nm Mit Motorreiniger die Lichtmaschine einszuprühen/unter Druck zu reinigen würde ich vorsichtig sein. Nicht dass dadurch Wasser mit Ölresten in die Lichtmaschine eindringt und Kohlebürsten oder Elektronik verschmutzen wird. Solche Verunreinigung kann zum Lima-Ausfall führen. Video dazu
- Früher
-
Die Steuerkette habe nicht getauscht. Ich war heute Motor waschen unten und Oben. Es ist sicher das Magnetventil wo undicht ist, weil das letzte mal als ich gewaschen habe war dort auch alles voll öl und jetzt sieht man ganz genau, dass es dort runterläuft ganz frisches öl. Dann suche ich mal die nächste Garage wo Zeit hat das zu wechseln. Die Dichtung habe ich schon aber ich brauche nur die 15815-raa-a02 die andere ist dicht geblieben nach dem reinigen. Mal schauen ob es wirklich nur das war. Ich frage mich einfach soll ich die Lichtmaschine auch mit Motorreiniger einsprühen wo es gibt an der Waschanalge ich hab jetzt nur mit klarwasser? Beim Magnetventil dichtung wechseln muss dann der Motor kalt sein oder kann man da kurz warten drauf. Der wechsel wird wahrscheindlich nicht teuer sein, sind glaub nur 2 schrauben zum lösen wenn man auf youtube schaut.
-
Kühlmittelverlust + Abasgeruch durch Lüftung
kardynau antwortete auf aventurin's Thema in Accord CP & CW & CU (ab Bj. 08)
Hi Aven, ja bitte unbedingt berichten wie du vorgegangen bist und was für ein Ergebnis oder der Fehler war. VG kardynau -
Kühlmittelverlust + Abasgeruch durch Lüftung
aventurin antwortete auf aventurin's Thema in Accord CP & CW & CU (ab Bj. 08)
Hi Kardynau, Vielen Dank für deine Antwort, ich melde mich wieder wenn ich Ergebnisse habe. Wie schon erwähnt möchte ich trotz 280k und vorausslichtlich hoher Kosten die Reparatur nicht scheuen. Gruß, Aven -
...guter tausch?
-
Die Ära ist vorbei, der Accord ist heute verkauft,
-
Hast du vor kurzem Steuerkette getauscht gehabt? Vielleicht gibt es Undichtigkeit von dem Stirndeckel weil der gänzlich auf Dichtmasse gesetzt wird und bei Montage sehr schwierig wieder einzubauen ohne den Dichtwulst zu beschädigen. Man muss immer nach dem Fahrwind Richtung schauen. Also die Flüssigkeiten verteilen sich überwiegend von vorne nach hinten und von unten nach oben aus. Je nach dem wie der Wind an der Stelle geleitet wird.
-
Wenn Öl im Bereich des Keilriemens auf der Lichtmaschine deines Honda Accord CL9 landet, liegt das Problem fast immer an Bauteilen, die direkt darüber oder dahinter sitzen. Da der Keilriemen das Öl im Betrieb verteilt, kann die gesamte Seite des Motors verschmiert sein. Prüfe diese spezifischen Stellen am Motor: - VTC-Sieb-Dichtung (VTC Strainer): Dies ist die häufigste Ursache beim CL9. Hinter der Servopumpe sitzt eine kleine Metallplatte (mit zwei 10mm Schrauben), hinter der sich ein Sieb befindet. Wenn diese Dichtung hart wird, drückt Öl direkt auf die Lichtmaschine und den Riemen. - Servopumpe (O-Ringe): Die Servopumpe sitzt direkt über der Lichtmaschine. Oft werden die O-Ringe am Ansaugstutzen oder der Hochdruckleitung undicht. Das austretende Servoöl tropft dann direkt nach unten. - VTEC-Magnetventil (VTEC Solenoid): Es sitzt an der Rückseite/Seite des Zylinderkopfs. Eine defekte Dichtung hier lässt Öl am Motorblock herunterlaufen, welches dann vom Riemen erfasst und verteilt wird. - Kurbelwellensimmerring: Wenn das Öl massiv hinter der unteren Riemenscheibe (Kurbelwelle) austritt, kann der Simmerring defekt sein. In diesem Fall schleudert die Riemenscheibe das Öl im gesamten Bereich herum. Was du jetzt tun solltest: 1. Reinigung: Reinige den Bereich mit Bremsenreiniger (Vorsicht bei Gummi-Teilen!), um die Quelle exakt zu lokalisieren. 2. Riemen prüfen: Wenn der Keilriemen bereits mit Öl vollgesogen ist, muss er ersetzt werden, da er rutschen oder aufquellen kann. 3. Lichtmaschine retten: Falls noch kein Defekt vorliegt, versuche das Gehäuse der Lichtmaschine so gut wie möglich von außen zu säubern. Öl im Inneren zerstört die Kohlebürsten und führt zum Ausfall. +++++ Anderer Gedanke, Die Kurbelgehäuseentlüftung (PCV): Im Idealfall erzeugt das PCV System einen leichten Unterdruck im Motorgehäuse. Ist das Ventil verstopft, baut sich im Motor Überdruck auf. Das Öl wird dann aktiv durch den Simmerring oder woanders nach außen gedrückt. Prüfe bei laufendem Motor z.B. im Leerlauf, ob am Öleinfüllstutzen (Deckel vorsichtig öffnen) ein starker Luftzug nach außen spürbar ist. Wenn ja, ist die Kurbelgehäuseentlüftung vermutlich defekt und der Überdruck forciert möglicherweise den Ölverlust am Simmerring.
-
Kühlmittelverlust + Abasgeruch durch Lüftung
kardynau antwortete auf aventurin's Thema in Accord CP & CW & CU (ab Bj. 08)
Hallo Aven, Abgase im Kühlsystem eines Honda Accord CW3 Hauptursachen und Symptome beim Accord CW3: - Defekte Zylinderkopfdichtung (ZKD): Dies ist die wahrscheinlichste Ursache. Abgase entweichen aus den Zylindern durch eine beschädigte Dichtung in die Kühlwasserkanäle. - Riss im Zylinderkopf oder Motorblock: Ein Riss, oft als Folge von Überhitzung, ermöglicht den Übertritt von Gasen. - Defekter AGR-Kühler (Abgasrückführung): Beim Dieselmodell kann der AGR-Kühler intern undicht werden und Abgase ins Kühlwasser leiten. Symptome für Abgase im Kühlsystem: - Blubbern/Gluckern: Geräusche im Ausgleichsbehälter oder Wärmetauscher, da Luft/Gas durch das Kühlmittel aufsteigt. - Überdruck: Sehr harte Kühlwasserschläuche bei warmem Motor. - Kühlwasserverlust: Häufiges Nachfüllen nötig, ohne sichtbare Lecks. - Temperaturprobleme: Der Motor überhitzt, da Gasblasen den Kühlmittelfluss stören. - Abgastestergebnis: Eine CO2-Messung (Lecktester) im Kühlwasser verfärbt sich (typischerweise blau zu gelb/grün). Empfohlenes Vorgehen: Es wird dringend empfohlen, einen CO2-Test (Lecktester) in einer Werkstatt durchführen zu lassen, um die Diagnose zu bestätigen. Ein Weiterfahren kann zu einem Motorschaden führen. Ich denke, mit ~280.000km sollte man sich gut überlegen, ob Reparatur sinnvoll ist, da die Kosten in einer Werkstatt vermutlich hoch sein werden. +++++++++++ und weiter mit Ki-Uterstützung Um den AGR-Kühler beim 2.2 i-DTEC Motor deines Honda Accord CW3 als Ursache für Abgase im Kühlsystem zu prüfen oder auszuschließen, gibt es zwei gängige Methoden: das Überbrücken der Wasserleitungen und die Sichtprüfung auf interne Rückstände. 1. Überbrückung der Kühlmittelleitungen (Diagnose-Bypass) Dies ist die sicherste Methode, um festzustellen, ob der Druck von der Zylinderkopfdichtung oder vom AGR-Kühler kommt. - Vorgehensweise: Die beiden Kühlwasserschläuche, die zum AGR-Kühler führen, werden abgezogen und direkt miteinander verbunden (z. B. mit einem passenden Rohrverbinder). - Test: Fahre das Auto unter ähnlichen Bedingungen wie zuvor. ---Ergebnis A: Wenn das Kühlsystem nun druckfrei bleibt (kein hartes Aufpumpen der Schläuche mehr), ist der AGR-Kühler intern gerissen und drückt Abgase ins Wasser. ---Ergebnis B: Bleibt der Druck/das Blubbern bestehen, ist leider die Zylinderkopfdichtung oder der Kopf selbst die Ursache. 2. Sichtprüfung auf interne Lecks Wenn der AGR-Kühler intern undicht ist, gelangt oft nicht nur Abgas ins Wasser, sondern in der Abkühlphase auch Kühlmittel in den Abgaspfad. - Prüfung: Demontiere die Abgasrohre am Eingang oder Ausgang des AGR-Kühlers. - Anzeichen: Suche nach feuchten, klebrigen Rückständen oder weißlichen Verkrustungen (getrocknetes Frostschutzmittel) im Inneren des Kühlers. Normalerweise sollte dort nur trockener, schwarzer Ruß zu finden sein. 3. Gezielter Drucktest am Bauteil Im ausgebauten Zustand kannst du den AGR-Kühler auch separat prüfen: - Verschließe eine Wasserseite des Kühlers und beaufschlage die andere Seite vorsichtig mit Prüfdruck (z. B. 1,5 bar). - Lege den Kühler in ein Wasserbad. Treten Luftblasen aus den Abgasöffnungen aus, ist das Gehäuse intern defekt. Wo genau beim CW3 der AGR-Kühler sitzt und wie du am besten an die Schläuche herankommst? Beim Honda Accord CW3 (2.2 i-DTEC) sitzt der AGR-Kühler auf der Rückseite des Motors (Richtung Spritzwand/Innenraum), unterhalb des Turboladers. Es handelt sich um ein längliches Metallbauteil, das direkt mit dem Abgaskrümmer und dem AGR-Ventil verbunden ist. So findest und erreichst du die Schläuche Um an den Kühler und vor allem an die Kühlmittelschläuche für den Bypass-Test heranzukommen, musst du Platz schaffen: 1. Motorabdeckung entfernen: Die Kunststoffabdeckung oben am Motor abnehmen. 2. Luftfilterkasten ausbauen: Um eine bessere Sicht und Reichweite zur Rückseite des Motors zu haben, ist es oft hilfreich, den Luftfilterkasten und das Ansaugrohr zu demontieren. 3. Position lokalisieren: Wenn du von oben zwischen Motor und Spritzwand schaust, siehst du den Turbolader. Direkt darunter oder leicht versetzt sitzt der silberne, kastenähnliche AGR-Kühler. 4. Die Schläuche: In den Kühler gehen zwei Gummischläuche für das Kühlwasser hinein bzw. hinaus. Diese sind meist mit Federschellen gesichert. Tipps für den Zugriff - Werkzeug: Eine Schlauchklemmenzange mit Bowdenzug ist extrem hilfreich, da der Platz dort hinten sehr eng ist und man mit einer normalen Zange kaum an die Schellen herankommt. - Vorsicht Hitze: Führe die Arbeiten nur bei kaltem Motor durch, da der Bereich um den Turbolader und Krümmer extrem heiß wird und das Kühlsystem unter Druck steht. - Bypass legen: Für den Test ziehst du beide Wasserschläuche vom AGR-Kühler ab und verbindest sie mit einem passenden Verbindungsstück (z. B. ein kurzes Rohr oder ein spezieller Schlauchverbinder) direkt miteinander. So wird der Kühler komplett aus dem Wasserkreislauf genommen. Bypass legen, welche Durchmesser die Schlauchverbinder für diesen Motor habensollen. Für den Bypass-Test am AGR-Kühler des Honda Accord CW3 (2.2 i-DTEC) benötigst du einen Schlauchverbinder mit einem Außendurchmesser von 18 mm bis 20 mm. Details zu den Anschlüssen - Schlauch-Innendurchmesser: Die Kühlmittelschläuche am AGR-Kühler haben bei diesem Motor in der Regel einen Innendurchmesser von ca. 18 mm. - Empfohlener Verbinder: Ein gerader Schlauchverbinder aus Kunststoff oder Aluminium mit 19 mm (3/4 Zoll) Außendurchmesser passt meist am strammsten und dichtet am besten ab. - Sicherung: Verwende unbedingt die originalen Federschellen oder passende Schraubschellen, um den Verbinder zu fixieren, da das System im Betrieb unter Druck steht. Durchführung des Bypass-Tests 1. Vorbereitung: Besorge dir den Verbinder und ggf. zwei zusätzliche Schlauchschellen. 2. Abkühlen lassen: Der Motor muss absolut kalt sein, um Verbrennungen und Verbrühungen zu vermeiden. 3. Verbindung herstellen: Ziehe die beiden Schläuche vom AGR-Kühler ab (Vorsicht, es tritt etwas Kühlwasser aus) und stecke beide Enden auf den Verbinder. 4. Entlüften: Nach dem Überbrücken solltest du den Kühlmittelstand prüfen und das System kurz entlüften, da beim Umstecken Luft in den Kreislauf gelangt ist. Diagnose: Wenn du nun eine Testfahrt machst und der übermäßige Druck im Ausgleichsbehälter verschwunden ist, hast du den AGR-Kühler als Übeltäter identifiziert. Bleibt der Druck hoch, liegt das Problem leider tiefer (Zylinderkopfdichtung). ps.: ..., dass damals schon vor dem Kauf/Verkauf das Problem mit Kühlmittel-Verlust vorlag, ist für mich offensichtlich. ...und das muss leider sein, alles ohne Gewähr. -
aventurin folgt jetzt dem Inhalt: Kühlmittelverlust + Abasgeruch durch Lüftung
-
Kühlmittelverlust + Abasgeruch durch Lüftung
aventurin erstellte Thema in Accord CP & CW & CU (ab Bj. 08)
Hallo liebe Accordgemeinde, bei meinem noch nicht so lange übernommenem CW3 Typ S (~280.000km) gibts ein nicht ganz kleines Problem: Seit einiger Zeit verliert er Kühlmittel, inzwischen > 1 L / 1000 km. Verschiedene Werkstattbesuche konnten nicht wirklich weiterhelfen: freie Werkstatt: Wasserpumpe tropft leicht, aber Pumpe in Ordnung freie Werkstatt: hatte den Thermostat in Verdacht, der scheint es aber dann doch nicht gewesen zu sein Hondawerkstatt: könnte ZKD oder Haarriss sein. Unterm Tisch wurde dann Bars Leaks Dichtmittel empfohlen - habe ich 1x eingesetzt, hat bisher aber keine Abhilfe verschafft, gefühlt wurde der Kühlmittelverlust stärker. War bereit viel Geld für einen ZKD-Tausch hinzulegen, aber das wollten sie nicht angehen, da sie sich entweder in der Diagnose unsicher waren oder sich nicht mehr zutrauten einen Accord auseinanderzunehmen. Scheint mir auch inzwischen mehr eine Motorradbude zu sein. Motortausch wurde noch erwähnt, aber mangels Ersatzmotor nicht angeboten. Meine eigenen laienhaften Diagnosen: Es steigen Abgase im Kühlsystem auf, die das System unter Druck setzen und damit unter anderem zum Tropfen der Wasserpumpe führen. füllt man das Kühlsystem ganz auf, sorgen die aufblubbernden Abgase dafür dass einiges an Flüssigkeit über den Überlaufschlauch am Ausgleichsbehälter verloren geht. Danach verliert er weiter Kühlmittel, sodass dann auch die Heizung ab einem gewissen Stand wenig bis gar nicht mehr heizt. Der Abgasgeruch scheint von nur leicht wahrnehmbar bis stark zu schwanken, tendentiell stärker bei niedriegerem Kühlmittelstand. Das Kühlmittel ist dunkel, mit teilweise schwarzer Schmiere oder feiner dunkler Partikel. Das Motoröl scheint kein Wasser zu haben, wurde mir von der 2. Werkstatt bestätigt. Kühlmitteltemperatur war Sommers wie Winters noch nie über der Hälfte, meist unterhalb des Logos. Temperatur steigt gemächlich bis etwa 20min nach Start an. Ich habe das Auto vor etwa 1 Jahr von privat gekauft. Der Vorgänger hat anscheinend noch das AGR-Rohr tauschen lassen - mir wurde das Alte mitgegeben, was noch in Ordnung ist. Will dem Vorgänger nichts anhängen, aber es scheint mir nicht unwahrscheinlich dass damals schon das Problem vorlag. Kann jemand von euch mit dem Schadensbild vielleicht etwas mehr sagen? Oder mir eine Werkstatt empfehlen die sich mit dem Accord noch versteht? Meine Bereitschaft, in Werkstätten zu gehen, die mir am Ende nur mit "vielleicht" und "könnte" kommen, ist rapide gesunken 🙂 Möchte aber gerne das Auto erhalten da er sich sonst gut macht. Für Weiteres sind zwei rechte Hände, gesunder Menschenverstand und der Wunsch zu lernen vorhanden, aber den Motor nehme ich nicht auseinander 😄 Herzliche Grüße, aven -
Eine andere Honda Garage meinte heute Kurbelwellen simmering. Einfach mal waschen und schauen von unten.
-
-
-
-
Hallenser1976 folgt jetzt dem Inhalt: ab 60-70 km/h, ein dumpfes, ständiges, gleichmäßiges Hintergrundgeräusch > Getriebe?
-
Xenon funktioniert nicht richtig
kretschi74 antwortete auf NewAccordUser02's Thema in Accord CL7/9 & CM & CN (Bj. 03-07)
Super. Danke -
Xenon Höhenverstellungssensor vorn
kretschi74 antwortete auf kretschi74's Thema in Accord CL7/9 & CM & CN (Bj. 03-07)
-
Xenon Höhenverstellungssensor vorn
Akula1651061329 antwortete auf kretschi74's Thema in Accord CL7/9 & CM & CN (Bj. 03-07)
Wen es gut geklappt hat, kannst du einen link von den teil schicken? -
Xenon funktioniert nicht richtig
Akula1651061329 antwortete auf NewAccordUser02's Thema in Accord CL7/9 & CM & CN (Bj. 03-07)
Nein die teile selber wahren defekt. Hatte alles probiert auch mit kontaktspry. -
Bayan folgt jetzt dem Inhalt: Honda Accord VII Kühlergrill (verkauft) und Chiptuning Box Honda Accord VII 2.2 i-CTDi Grossmann Motor Sport
-
Verkaufe ein gebrauchtes Zusatzsteuergerät von HOPA (Grossmann Motor Sport) inklusive passendem Kabelbaum für den Honda Accord VII 2.2 i-CTDi. Die Box ist voll funktionsfähig und optimiert Leistung sowie Drehmoment des Dieselmotors. Preis: 80 Euro VB Privatverkauf ohne Gewährleistung – ideal für Kenner dieses Systems.
-
Ich war heute bei einer anderen freien Werkstatt. Wieder eine Runde gedreht, der Mann ist sehr sportlich gefahren. Seine Meinung, es könnte ein Radlager sein. Die Hebebühnen waren alle besetzt, soll deshalb am Montag wieder hin. Schulterzucken! 😉 Soll ich mir einen Termin bei einer Honda-Vertragswerksatt machen? Können die das besser? Die ist übrigens 100km weit weg.
