Zum Inhalt springen
Werbung - Warum schalten wir Werbung?
Unterstütze per PayPal

Wieder mal Bremse hinten fest, diesmal 1997 US Accord CE2 Aerodeck


Empfohlene Beiträge

Geschrieben

Hallo Leute !

 

Das Thema existiert bereits, ich ersuche dennoch Euren Rat in diesem neuen Thread.

 

Jetzt hat es auch mich erwischt. Letzten Sonntag unterwegs und er rollte nicht mehr so gut wie sonst, als ich vom Gas ging. An der Tankstelle bemerkte ich einen seltsamen Schmorgeruch und fühlte, daß das hintere linke Rad sehr warm war. Bin dann vorsichtig heimgefahren und seitdem steht er.

 

Mein Auto:

Honda Accord Aerodeck (CE2), 2.0l, 136PS

Baujahr 1997

US-Modell

KM: gerade über die 80.000

 

Vorgeschichte:

Die Handbremse mußte ich die letzten Monate stärker ziehen und sie griff generell nicht mehr so gut.

Ansonsten bisher keine Probleme mit den Bremsen, sogar sehr wenig Verschleiß verglichen mit anderen.

 

 

Ich hab bei diesem Auto leider keine Ahnung wie das Handbremssystem und das Hauptbremssystem funktionieren.

Ich hab hinten Scheiben und keine Trommeln, und wie ne Bremse geht, weiß ich auch.

 

 

Jetzt weiß ich nicht, ob ich das selber machen soll, zu Honda damit (wird teurer) oder zu ner freien Werkstatt.

Einen Zahnriemenwechsel z.B. würde ich nie bei ner freien Werkstatt machen lassen, das ist dann doch etwas zu speziell für die.

 

Hat jemand einen Rat ? Ich wohne in Ingolstadt, vielleicht gibts da gute (und günstige) freie Werkstätten ?

 

Danke schonmal im Vorraus.

Werbung - Warum schalten wir Werbung?
Unterstütze per PayPal
Geschrieben

Bei meinem CB7 waren die Sättel hinten auch mal etwas fest. Die Handbremswirkung war dort auch ziemlich übel. Hab dann die Sättel losgemacht und die Mechanik für die Bremse ordentlich eingesprüht mit Caramba.

 

Desweitern habe ich mit einer Spritze Bremsflüssigkeit hinter die Manschette der Bremskolben gespritzt und ein paar mal rein und raus gedreht. Seither fluppt wieder alles wie es soll. Konnte sie fast von Hand reindrehen am Ende. Kann sein das man das jedes Jahr einmal machen muss. Kommt drauf an. Und selbst wenn .. so viel Aufwand ist das ja nicht. Immer noch besser als neue kaufen zu müssen.

Accord CB7 Bj. 1991 - Mitsu Galant EA0 V6 Bj. 1999 - CB Blog: http://www.cb-fan.de
Geschrieben

80tkm auf dem tacho sind sehr wenig deshalb aus erfahrung würde ich dir raten nach 2 neuen bremssätteln ausschau zu halten. es lohnt sich auf jeden fall zu investieren.

 

man kann natürlich die sattel-mechanik (nocken, stift und nadellager) mit caramba oder anderem schmierstoff schmieren und damit deine bremssättel in gang halten.

 

ist dies aber sinnvoll? für mich nicht.

 

wenn deine handbremse nicht mehr richtig funktioniert und deine bremsscheibe mit b-belag hinten heiß wird, heißt es für mich deine sattel-mechanik für die handbremse ist schon verrostet. wenn du dann alles z. b. mit caramba schmierst entsteht dort innen eine rostige schmutzige suppe in der alles weiter abgenutzt wird. wenn dann irgendwann auf der a-bahn deine hinteren bremsen heiß werden und Du das nicht rechtzeig merkst ist es vorbei....:wall:

 

diese probleme mit den alten bremssätteln sind bekannt und so zu sagen "normal", irgendwann ist es so weit genauso wie mit den anderen verschleißteilen.

 

diese probleme habe ich schon mal gehabt mit meinem wagen als meine hintere b-sättel verrostet/fest waren, da haben die b-beläge schon mal gequalmt z. b. gerade als ich zu einem termin musste. ich habe damals alles repariert, dichtungen ausgewechselt, gereinigt, geschmiert...usw.. es hat alles noch eine weile funktioniert dann in der schweiz im urlaub musste ich nochmals alles auf der wiese gangbar machen...

dies war mir zu viel, ich habe dann einfach alle 4 neue b-sättel und b-scheiben mit b-belag gekauft und ausgewechselt, jetzt habe ich lange (hoffe 20 jahre) ruhe. gruß :wink:

image.gif.226feb1f813ebeb4ebe8eaea4887c510.gif  I-I O N D A - ich will nichts anderes  image.gif.fb899f5523d546b58d3903759448a794.gif

Geschrieben

Danke für die vielen Antworten, morgen hab ich frei da werd ich das erstmal selbst in Angriff nehmen.

 

Ganz klar ist mir die Funktionsweise der Handbremse bei meinem CE2 noch nicht.

 

Verwendet die Handbremse die hinteren Bremssattel des normalen Bremssystems oder gibts da noch irgendwo eine weitere Scheibe/Trommel ?

 

Gibts dazu vielleicht irgendwo ein Service Manual als PDF ?

 

Danke im Voraus!

Geschrieben

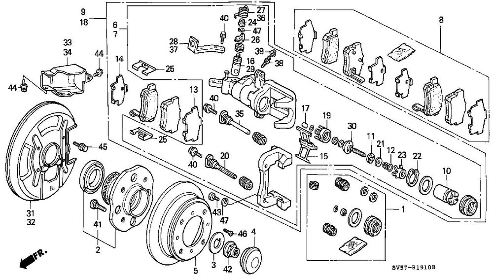
Bei deinem CE ist es so, dass am Ende des Bremssattels eine Mechanik -sozusagen- angeflanscht ist, welche mechanisch den Bremskolben gegen die Scheibe drückt.

 

Ich erklär Dir das mal anhand des angehängten Bildes:

33/34 ist eine Schmutzabdeckung für dein Handbremsseil. Das Handbremsseil geht durch das Loch beim Arm 28/37 und wird bei dem Hebel 26 eingehängt.

 

Alles senkrecht zwischen 27 und 29 ist die Mechanik der Handbremse. Die Rückholfeder 27/36 ist dafür zuständig, dass sich die Bremse wieder löst. Das kann sie nur, wenn die Welle 16/29 ordentlich läuft.

16/29 ist die Welle, welche den Bremskolben 10 mechanisch über die ganzen Teile zwischen 10 und 17 gegen die Bremsscheibe 5 drückt. Deine Handbremse eben.

 

Die Teile 17,19,30,11,21,12 und 23 gehören zu dem automatischen Bremsennachsteller

Der Bremskolben 10 wird auf das Gewinde von Einstellschraube 30 aufgeschraubt, was erklärt, dass man den Bremskolben nicht zurück drücken kann, sondern drehen muss

CEBREMSE.thumb.JPG.ede6ba47e46f9467aa5e987837ec3fdf.JPG

Wer Initiative zeigt, bekommt meistens auch den Auftrag!

Geschrieben
Genau, hier das ganze noch aus einer anderen sicht. wenn handbremse klemmt ist alles innen wie welle, nadellager und stift verrostet. um diese welle richtig zu begutachten/auszubauen muss der ganze b-sattel auseinander gebaut werden. dies ist sehr aufwendig und man braucht z. b. neue dichtungen dazu, die auch nicht billig sind. hast aber einen neuen b-sattel ist wechsel relativ einfach und er hält wieder über 10 Jahre und länger mit pflege.

Hintere_Bremsen_Accord_CA5_1986.pdf

image.gif.226feb1f813ebeb4ebe8eaea4887c510.gif  I-I O N D A - ich will nichts anderes  image.gif.fb899f5523d546b58d3903759448a794.gif

Geschrieben

Wow, Tonnenweise Dank Euch Beiden für die Hilfe somit ist jetzt alles Sonnenklar. Werde mir mal genau den Zustand besagter Welle ansehen.

 

Ich hoffe nur, daß ich bei der kurzen Fahrt letztens nicht die Belälge verschmort habe.

 

Gruß

Dein Kommentar

Du kannst jetzt schreiben und Dich später registrieren. Wenn Du ein Konto hast, melde Dich jetzt an, um unter Deinem Benutzernamen zu schreiben.

Gast
Auf dieses Thema antworten...

×   Du hast formatierten Text eingefügt.   Formatierung jetzt entfernen

  Nur 75 Emojis sind erlaubt.

×   Dein Link wurde automatisch eingebettet.   Einbetten rückgängig machen und als Link darstellen

×   Dein vorheriger Inhalt wurde wiederhergestellt.   Editor leeren

×   Du kannst Bilder nicht direkt einfügen. Lade Bilder hoch oder lade sie von einer URL.

×
×
  • Neu erstellen...

Wichtige Information

Wir haben Cookies auf Deinem Gerät platziert. Das hilft uns diese Webseite zu verbessern. Du kannst die Cookie-Einstellungen anpassen, andernfalls gehen wir davon aus, dass Du damit einverstanden bist, weiterzumachen.