MatthiasM. Geschrieben 22. Mai 2014 Geschrieben 22. Mai 2014 Hallo Zusammen, leider habe ich keinen Tüv bekommen da die Scheinwerfer Reinigung nicht funktioniert hat. Kann mir jemand sagen wann die überhaupt aktiviert wird und wie alles verkabelt ist (schaltplan). An der Pumpe sollte es nicht liegen da sie neu ist. Zitieren
hempel Geschrieben 22. Mai 2014 Geschrieben 22. Mai 2014 Die waren beim Tüv aber schon so schlau und haben das getestet als das Licht an war, oder? Zitieren
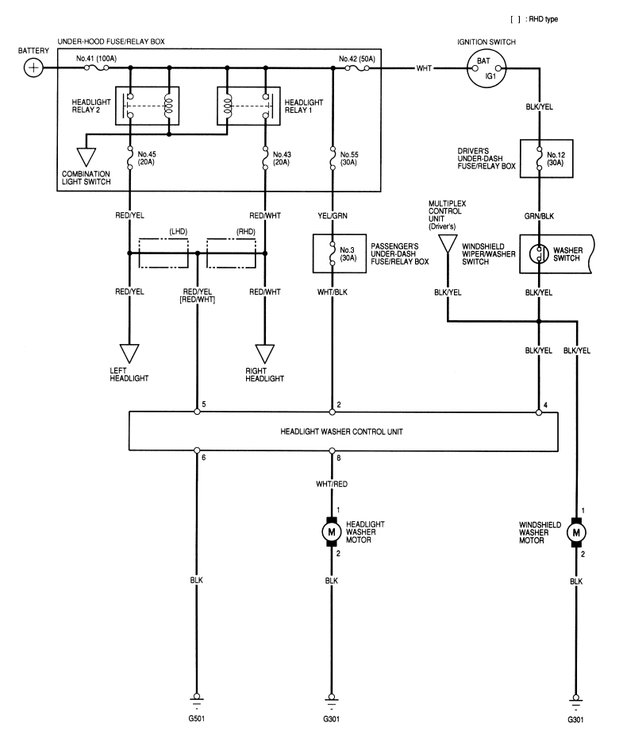
kardynau Geschrieben 23. Mai 2014 Geschrieben 23. Mai 2014 hi, das habe ich gefunden, bilder unten. Zitieren I-I O N D A - ich will nichts anderes
RaZeR86 Geschrieben 23. Mai 2014 Geschrieben 23. Mai 2014 Hinter der Stoßstange sitzen 2 Pumpen. Die kleine für die Wischwasserdüsen, die große für die Scheinwerfer. Aktiviert wird diese wenn Stand oder Abblendlicht an ist und man die Pumpe vom Scheibenwischwasser betätigt. Zitieren Zoom Zoom Performance MPS & MPD http://images.spritmonitor.de/676587.pnghttp://images.spritmonitor.de/676590.png
MatthiasM. Geschrieben 24. Mai 2014 Autor Geschrieben 24. Mai 2014 Bei mir hats so viel ich weiß noch nie funktioniert. Danke für die Infos werde es demnächst anschauen und mich dann wieder melden. Zitieren
cabkiller Geschrieben 24. Mai 2014 Geschrieben 24. Mai 2014 Sicherung gecheckt? Ich habe meine nämlich raus genommen, damit es nicht spritzt. Zitieren ///Mugen 無限 Equipped [biete] alle Teile aus meinem Projekt k24cl9ftw Biete Reflash für Accord 2003-2008 und 2008+
MatthiasM. Geschrieben 12. Juni 2014 Autor Geschrieben 12. Juni 2014 Sodellee... Es hat geklappt ! Vielen Dank ! Im Fahrer-Fußraum unter dem Amaturenbrett, bei mir ohne verkleidung wegzumachen sichtbar gewesen, auf der linken Seiten ist ein weißer Relais Kasten, der für die Steuerung zuständig ist. Wenn man bei dem Teil die Adern 2-weiß/schwarz(12V Batterie) und 8-weiß/rot(Versorgung Pumpe) brückt solle die Pumpe an gehn und die Scheinwerfer reinigen. 12V hatte ich gegen Maße.. Pumpe ging aber nicht, also vor an die Pumpe. Diese ist unter dem Fahrer Kotflügel versteckt. Radlauf raus und schon kommt man gut ran. Ende vom Lied, die Kontakte waren locker und haben nicht mehr richtig verbunden. Mit einer Zange konnte ich sie wieder enger quetschen und schon funzt die @%&*! ;) PS: Ich hab jetzt TÜV Jipiii Zitieren
Empfohlene Beiträge
Dein Kommentar
Du kannst jetzt schreiben und Dich später registrieren. Wenn Du ein Konto hast, melde Dich jetzt an, um unter Deinem Benutzernamen zu schreiben.