Zum Inhalt springen
Werbung - Warum schalten wir Werbung?
Unterstütze per PayPal

Empfohlene Beiträge

Geschrieben

Hallo Leute, ich habe mal eine Frage. Bei meinem Accord 2 Liter Automatik gehen Stufe 1 nicht beim Lüfterrad. Kann man beim Diesel, die auch beim Benziner montieren?Ich bräuchte ja eigentlich nur die beiden Motoren auszuwechseln. Und das müsste doch  eigentlich funktionieren oder ,kennt sich jemand damit aus ? Kriege ich das an den Stecker da ran oder geht das gar nicht?

Werbung - Warum schalten wir Werbung?
Unterstütze per PayPal
Geschrieben (bearbeitet)

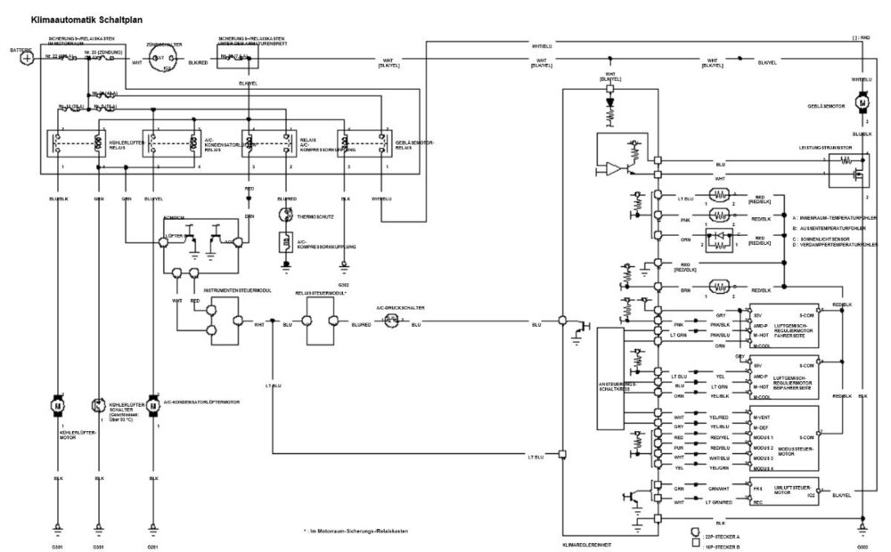
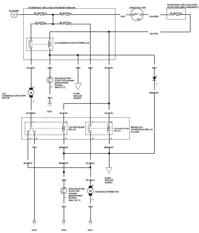
Hi, ich denke beim Diesel (CN) und Benziner (CL) sind Elektromotoren gleich. Alle Motoren haben nur 2-Anschlüsse. Bei Diesel und Benziner ist aber die elektrische Schaltung anders. Um die 2 Stufen zu erreichen, hat Diesel 2x Thermoschalter und 3x Relais. Benziner hat 1x Thermoschalter und 2x Relais für die Lüfter-Steuerung. Wenn bei dir 1-Stuffe fehlt/nicht funktioniert, hast du dann vermutlich Problem mit der Steuerung.  Thermoschalter oder Relais ist defekt, denke ich.

schaltplan-Kühlerlüfter-CL7.jpg

Anschlussseite-Lüfter.jpg

schaltplan-Kühlerlüfter-CN.jpg

Bearbeitet von kardynau

image.gif.226feb1f813ebeb4ebe8eaea4887c510.gif  I-I O N D A - ich will nichts anderes  image.gif.fb899f5523d546b58d3903759448a794.gif

Geschrieben

Danke für deine antwort , thermoschalter habe ich gewechselt von der marke vemo ...der lüfter springt erst ab 105 bis 107 ° an . Stimmt das ,das bei honda accord der schaltpunkt für den lüfter ab 105 ° grad ist ?  Und eine frage kann man den lüftermotor vom cl9 beim cl7 wechseln und von facelift zu preface ? könnte einen kaufen vom cl9 facelift bin mir aber nicht sicher ob das geht 

Geschrieben (bearbeitet)

Hi, verstehe jetzt nicht ganz, hast du Accord Diesel mit 2-Stufen Lüfter-Steuerung?
Ich kenne mich mit den verschiedenen  Accord-Varianten nicht gut aus aber ich nehme es an alle Elektro-Motoren des gleichen Baujahres sind gleich. Am besten die Aufschrift/Bezeichnung auf dem Motor vergleichen (Kondensatorlüftermotor und Kühlerlüftermotor).

Vor dem Tausch Lüftermotor auf Funktion prüfen, Kühler- und A/C-Kondensatorlüftermotor Test:
1. Die 2P-Stecker vom Kühlerlüftermotor und Kondensatorlüftermotor abziehen. 
2. Den Motor durch Anlegen von Batteriespannung an Klemme B und von Masse an Klemme A überprüfen, ob er läuft.
3. Den Motor austauschen, wenn er nicht anläuft oder nicht ruhig läuft.

Wenn der Lüfter erst ab 105 bis 107 ° anspringt, ist etwas zu viel. Wie schon geschrieben, Diesel hat 2x Thermoschalter für langsam und schnell, Benziner nur ein Thermoschalter langsam.
Accord CN1: 
Thermo-Schalter Langsam ON/EIN 91-95 °C
Thermo-Schalter Schnell ON/EIN 98-102 °C
Thermo-Schalter AUS Temperatur 3-8 °C niedriger als die Temperatur beim Einschalten
Kühlerlüfterschalter/Thermo-Schalter prüfen z.B. ON/EIN 91-95 °C = Durchgang zwischen den Klemmen Nr. 1 und Nr. 2. bei entsprechenden Temperaturen.

Lüfter-2Stufen.jpg

Bearbeitet von kardynau

image.gif.226feb1f813ebeb4ebe8eaea4887c510.gif  I-I O N D A - ich will nichts anderes  image.gif.fb899f5523d546b58d3903759448a794.gif

Geschrieben

Sorry ,ich habe den cl7 benziner automatik . Wie ich sehe hat der accord doch ne stufe 1 und 2  . Der lüfter springt erst bei 105-107° an . Das ist zu hoch . Ich habe noch einen cl9 facelift und werde da mal die relais beim cl7 reinmachen und schauen ob der lüfter früher anspringt . Wenn ich klima anmache dann laufen beide lüfter schnell . Thermoschalter ist von vemo vielleicht hätte ich doch lieber original holen sollen .

Geschrieben (bearbeitet)

Hi, also meines Wissens Accord CL7, CL9, CM1, CM2 alle Benziner nur 1 Stufe = 1x Thermo-Schalter/2x Relais. 
Accord CN1, CN2 Turbodieselmotor 2 Stufen = 2x Thermo-Schalter/3x Relais. 

Kühlerlüfterschalter prüfen:
1. Den Kühlerlüfterschalter vom Kühler abnehmen/abschrauben.  
2. Den Kühlerlüfterschalter(A) wie abgebildet in einen mit Wasser gefüllten Behälter hängen. 
3. Das Wasser erwärmen und die Temperatur mit einem Thermometer messen. Darauf achten, dass das Thermometer (B) nicht den Boden des heißen Behälters berührt. 
4. Durchgang zwischen den Klemmen Nr. 1 und Nr. 2 messen. Die Schaltkontakte des Thermo-Schalters müssen in Temperaturbereich ON/EIN geschlossen und AUS offen sein.
Thermo-Schalters ON/EIN 91-95 °C
Thermo-Schalter AUS Temperatur 3-8 °C niedriger als die Temperatur beim Einschalten

Du hast geschrieben: "Wenn ich klima anmache dann laufen beide lüfter schnell", heißt für mich beide Lüftermotoren und Relais OK. (Thermo-Schalter überbrückt) 
Man kann nur vermuten z. B. Thermo-Schalter defekt, Thermo-Schalter mit falscher Einschalt-Temperatur, elektrische Leitungsunterbrechung z.B. Kühlerlüfterschalter zur Masse usw...

Hast du den alten Thermo-Schalter noch? Überprüfen?

Und ich habe schon immer gesagt, Hondateile sind die besten. So ein Original-Teil muss immer funktionieren. Falls nach dem Tausch Fehler immer noch  vorhanden, hier abgehakt woanders suchen.

 

Thermoschalter.jpg

Bearbeitet von kardynau

image.gif.226feb1f813ebeb4ebe8eaea4887c510.gif  I-I O N D A - ich will nichts anderes  image.gif.fb899f5523d546b58d3903759448a794.gif

Geschrieben

Ich habe leider den alten schalter weggeschmissen . Ok du schreibst das der cl7 nur eine stufe hat ,dann kann es nur am thermoschalter liegen . Ich habe schon alles gewechselt und trotzdem geht der lüfter sehr spät an ,laut obd scanner 107 ° . Heute habe ich wieder versucht zu entlüften den wagen auch vorne aufgebockt . Mir ist aufgefallen das ab 103° es angefangen hat zu schäumen und er extrem das kühlwasser über den offenen kühlerdeckel rausgedrückt hat . Die lüftermotoren haben kein vorwiederstand oder ? Sorry ich komme einfach nicht weiter ...wenn ich fahre dann ist alles ok aber sobald ich 5min stehe dann geht er langsam hoch . Wenn ich kühlerdeckel aufmache dann zischt es immer und die schläuche sind leicht hart so als hätte er irgendwie druck drine . Bei diesem vemo schalter stand drauf umschaltpunkt bei 93 ° haut aber nicht hin .

Geschrieben (bearbeitet)

Hi, wir haben dazu schon ziemlich viel geschrieben und Fehler immer noch da. Vielleicht haben andere hier noch Ideen. Suche vielleicht woanders den Fehler. Es gibt viele Möglichkeiten. Zitat: „ab 103° es angefangen hat zu schäumen…“ – das ist ganz schlecht bzw. sollte nicht vorkommen. Dass „…ab 103° es angefangen hat … extrem das kühlwasser über den offenen kühlerdeckel rausgedrückt hat“ ist ok. Es ist ja bei der Temperatur über 100 °C auch viel Druck im Kühlsystem aufgebaut und sollte abgebaut werden.  Nein, laut Stromlaufplan (siehe oben) die Lüftermotoren haben kein Vorwiederstand, nur Relaiskontakte und Sicherungen sind in Reihe geschaltet. Vemo-Schalter mit Umschaltpunkt ON/EIN bei 93 ° hätte gepasst.

Symptom Motor überhitzt:
1. Die Wasserpumpe prüfen. 
2. Auf gerissenen Antriebsriemen prüfen.
3. Automatischen Antriebsriemenspanner prüfen.  
4. Den Thermostat prüfen.
5. Auf Kühlmittellecks (Dichtungen, Schläuche, O-Ringe usw.) prüfen.
6. Kühler und Kondensator auf Verschmutzung, Blätter oder Insekten überprüfen. 
7. Die Lüfterzarge auf Beschädigung oder Deformation prüfen. 
8. Die Kühlerschläuche auf Zusetzen oder Verschleiss prüfen. 
9. Den Kühlerdeckel prüfen.
10. Die Lüftermotoren und die Lüfterrelais prüfen. 
11. Den Heizungs-Wärmetauscher und die -schläuche auf Zusetzen oder Verschleiss prüfen.
12. Den Kühlmittelstand prüfen.
13. Prüfen, ob das Kühlmittel noch in Ordnung ist.
14. Zylinderkopfdichtung auf Beschädigung prüfen. (Abgase im Kühlsystem)

Ps.: Man kann laut Stromlaufplan beide Relais und beide Lüfter-Motoren auf einmal auf Funktion überprüfen. Thermo-Schalter macht ja nur EIN/AUS. 
D.h. Stecker vom Thermo-Schalter=Kühlerlüfterschalter am Wasser-Kühler abziehen. Mit einem Stück Draht Stecker/beide Kontakte kurzschließen (EIN erzeugen) Zündung einschalten (II). Vorsicht! Beide Lüftermotoren müssen sofort anlaufen/starten. Alles Ohne Gewähr, da ich nicht dabei sein kann.

image.jpeg.d7dd187992140dc7c51155ee9dd7c6c3.jpeg

image.thumb.jpeg.5193fbc47165b3ac4ae33b74a6d95839.jpeg

Bearbeitet von kardynau

image.gif.226feb1f813ebeb4ebe8eaea4887c510.gif  I-I O N D A - ich will nichts anderes  image.gif.fb899f5523d546b58d3903759448a794.gif

Geschrieben

Ich habe ja wasserpumpe ,thermostat ,kühler,kühlerdeckel und thermoschalter gewechselt habe auch schon überbrückt . Kopfdichtung zeigt keine bekannten symptome .kein kühlmittelverlust kein öl kein weisser rauch .

Ich werde wahnsinnig langsam .

Ich werde mal original thermoschalter von honda bestellen und hoffe es klappt.

es ist nur der lüfter wenn der angehen würde dann wäre alles ok . Was mir noch aufgefallen ist ,ist das er im stand nicht heizt ab und an ,erst wenn ich gas drücke kommt dann irgendwann heisse luft.

Thermostat auch ok untere schlauch wird warm . Wasserpumpe von ina wasser zyrkuliert auch  .

Geschrieben (bearbeitet)

....ich glaube wir haben schon darüber geschrieben, wie sieht es mit Wasserkühler, nicht zugesetzt/verkalkt? thermoschalter eventuel prüfen nicht gleich neu kaufen, scheint ja Ok zu sein.

Bearbeitet von kardynau

image.gif.226feb1f813ebeb4ebe8eaea4887c510.gif  I-I O N D A - ich will nichts anderes  image.gif.fb899f5523d546b58d3903759448a794.gif

Geschrieben

Nein es ist nix verkalkt kühler und kühlflüssigkeit neu ...das er ab 105-107°den lüfter aktiviert ist komisch macht das jetzt der thermoschalter oder über steuergerät damit keine überhitzung stattfindet 

Geschrieben (bearbeitet)

Ich sehe das so: Motor startet und Kühlflüssigkeit wird heiß. In Temperaturbereich ON/EIN 91-95 °C werden beide Relais deshalb auch beider Lüfter eingeschaltet (Relaiskontakte geschlossen) ...indem Thermo-Schalter beide Relaisspulen mit Masse verbindet/kurzschließt. Lüfter laufen an und laufen so lange bis die Temperatur 3-8 °C niedriger wird als die Einschalt ON/EIN Temperatur des Thermo-Schalters.

Z. B. Kühlflüssigkeit wird heiß z. B. im Stau oder Stadtfahrt, vemo schalter Einschaltpunkt bei 93 °C, beide Lüfter werden bei dieser Temperatur eingeschaltet. Danach steigt Temperatur leicht und dann sinkt auf ca. + - 88 °C. Dann macht vemo schalter Kontakte auf und beide Lüfter werden ausgeschaltet. So fängt die Temperatur wieder zu steigen und so im Kreis. Temp hoch und runter..im Bereich EIN und AUS (ca. 93°C und 88°C)

Steuergerät ECM/PCM schaltet beide Lüfter unabhängig/extra falls dies für Klimaanlage notwendig ist.

Klima-CL9.jpg

Bearbeitet von kardynau

image.gif.226feb1f813ebeb4ebe8eaea4887c510.gif  I-I O N D A - ich will nichts anderes  image.gif.fb899f5523d546b58d3903759448a794.gif

Geschrieben

Ok und was erklärt uns das ? Meinst du vemo schalter ok oder original ? 

Unten am schalter liegt doch die kühlflüssigkeit an ...wenn ich überbrücke laufen die lüfter ...ich versuche einfach ein original vielleicht schaltet der vemo gar nicht .

Geschrieben (bearbeitet)

Hi, ich werde mich dann wiederholen. Ich habe noch nie fehlerhafte Honda-Teile Made in Japan gesehen und davon habe ich ziemlich viele verbaut. Von der Qualität war ich und bin immer noch begeistert. Ich bin aber kein Werkstattbesitzer sondern nur Hobby-Schrauber. 

Ich muss mich auf deine Beschreibungen verlassen, wie ist die vemo Teile-Nr.? 

Du hast beschrieben: „Bei diesem vemo schalter stand drauf umschaltpunkt bei 93 ° haut aber nicht hin.“ und „Unten am schalter liegt doch die kühlflüssigkeit an“. 
Also was jetzt? Es ist möglich, dass Thermoschalter nicht richtig funktioniert (unwahrscheinlich aber möglich, "china zeug") aber genauso ist es möglich, dass sich da im Kühlsystem etwas staut, Kühlwasser nicht richtig zirkuliert, und deshalb Thermoschalter verzögert heiß wird und deshalb zu spät schaltet, weil heißes Kühlwasser zu spät vorbeifließt. Ich weiß es nicht. So habe ich geschrieben: "thermoschalter eventuel prüfen nicht gleich neu kaufen..." 
Und „wenn ich überbrücke laufen die lüfter“ also Relais und Lüfter sind Ok (gedanklich "abhaken").

Schrittweise und genau vorgehen und alles was funktioniert in der Liste als geprüft "abhaken". So schließt sich später der Kreis der Verdächtigen! 🧐

Bearbeitet von kardynau

image.gif.226feb1f813ebeb4ebe8eaea4887c510.gif  I-I O N D A - ich will nichts anderes  image.gif.fb899f5523d546b58d3903759448a794.gif

Geschrieben

Ja du hast recht ! 

Vemo teilenummer ist : V26-99-0004

Ich weiss das teile von Honda gute quali sind mein problem war nur das es so lange dauert wenn man bei amayama bestellt .

Ja ich dachte auch so ein neuer schalter von vemo wird doch funktionieren aber wie du schon beschreibst china zeug halt .

Es kann natürlich möglich sein das im kühlsystem was blockiert ist . Schade das du nicht aus berlin bist ,hätte man sich vielleicht treffen können . Ich bin dir sehr dankbar für deine zeit und mühe .

 

Geschrieben (bearbeitet)

Hi, auf der vemo-Seite gefunden:

X-Ref :   37773-PLZ-E01
Schaltpunkt von [°C]    93  (ich nehme es an °C beim erwärmen, temp EIN, Kontakte zu)
Schaltpunkt bis [°C]    88  (ich nehme es an °C beim abkühlen, temp AUS, Kontakte offen)
Bezeichnungstext    Original VEMO Qualität
EAN    4046001529917

Thermoschalter sollte passen und wird in unzähligen Hondas verbaut. Ich würde sagen Thermoschalter vielleicht überprüfen aber sieht für mich so aus als ob Problem woanders  liegen würde.  😔

Bearbeitet von kardynau

image.gif.226feb1f813ebeb4ebe8eaea4887c510.gif  I-I O N D A - ich will nichts anderes  image.gif.fb899f5523d546b58d3903759448a794.gif

Geschrieben

Ja das ist jetzt die frage was kann es sein .

Ich habe jetzt das original teil bestellt und dann hoffe ich das es daran lag  ansonsten weiss ich auch nicht mehr weiter . Es kann auch druck luft im system noch sein aber habe schon öfter entlüftet .

Es ist zum kotzen habe noch ein fehler nebenbei den fehler P0420 da habe ich auch schon kat und die sonden gewechselt zündkerzen etc. komme da auch nicht weiter habe ab und an auf der autobahn zwischen 100 und 140 km/h ein kurzes rucken so wie ein kurzes zündaussetzer .

Ich danke dir trotzdem für deine Antworten und schaue mal was nach dem thermoschalter wechsel passiert hoffe es ist dann weg .

Geschrieben (bearbeitet)

Theoretisch könntest du eine grobe Prüfung deines vemo-Thermoschalter machen. 
Du hast geschrieben „der lüfter springt erst ab 105 bis 107 °“und „laut obd scanner 107 °C“ an. Stimmt das überhaupt?
Solche  Temperatur ist höher als kochendes Wasser.
 
Grob vemo-Kühlerlüfterschalter prüfen:
1. Den vemo-Kühlerlüfterschalter vom Kühler abnehmen/abschrauben.  
2. Den Kühlerlüfterschalter in einen mit Wasser gefüllten Behälter (Topf) hängen. 
3. Das Wasser erwärmen und bis zum Kochen bringen. 
4. Durchgang zwischen den Klemmen Nr. 1 und Nr. 2 messen (z. B. mit Durchgangsprüfer/Piepser) . Die Schaltkontakte des Thermo-Schalters müssen/sollen kurz vor dem Aufkochen des Wassers bei ca. 95 °C ON/EIN geschlossen sein. 
Falls JA, Wasser abkühlen lassen und messen, ob Kontakte wieder öffnen.

Ps.: Zu P0420 Pdf-Dateien. Nicht einfach.

P0420.pdf Den TWC austauschen-K20A6.pdf Den TWC austauschen-K24A3.pdf ECM-PCM -Leerlauflernverfahren.pdf

P0137.pdf P0138.pdf P0141.pdf

Bearbeitet von kardynau

image.gif.226feb1f813ebeb4ebe8eaea4887c510.gif  I-I O N D A - ich will nichts anderes  image.gif.fb899f5523d546b58d3903759448a794.gif

Geschrieben (bearbeitet)

Hi, wo ist/sitzt Kühlmittel-Temperatursensor? Er misst ja dort die erhöhte aktuelle Temperatur (OBD) an einer bestimmten Stelle. Dazu finde ich nichts, wo er sitzt. Dass Temperaturen im Motor unterschiedlich sind ist offensichtlich, dazu braucht man kein GPT aber interessant. Aber Kopie hier ist ziemlich unlesbar. Wir haben schon dazu glaube ich geschrieben, man sollte an der richtigen Stelle messen, wo der Sensor (vemo-Kühlerlüfterschalter) sitzt.

Bearbeitet von kardynau

image.gif.226feb1f813ebeb4ebe8eaea4887c510.gif  I-I O N D A - ich will nichts anderes  image.gif.fb899f5523d546b58d3903759448a794.gif

Geschrieben

Der sitzt am kühler unten wo der untere schlauch vom thermostat hingeht . Es macht aber sinn denn bei meinem obd scanner misst er über den motortemperatur sensor  und nicht über den thermoschalter ich denke ich hatte einen denkfehler denn ich dachte weil beim obd scanner steht ja kühlmitteltemperatur sensor und nicht motortemperatur sensor aber ist ja logisch das ,das kühlmittel am motor bis zu 107°kommt  und nicht am kühler . Du hattest recht das hattest du schon erwähnt . Also ich denke das alles in ordnung ist ...sorry die bilder habe ich nicht geschnitten somit sieht man den übergang doppelt .

Dein Kommentar

Du kannst jetzt schreiben und Dich später registrieren. Wenn Du ein Konto hast, melde Dich jetzt an, um unter Deinem Benutzernamen zu schreiben.

Gast
Auf dieses Thema antworten...

×   Du hast formatierten Text eingefügt.   Formatierung jetzt entfernen

  Nur 75 Emojis sind erlaubt.

×   Dein Link wurde automatisch eingebettet.   Einbetten rückgängig machen und als Link darstellen

×   Dein vorheriger Inhalt wurde wiederhergestellt.   Editor leeren

×   Du kannst Bilder nicht direkt einfügen. Lade Bilder hoch oder lade sie von einer URL.

×
×
  • Neu erstellen...

Wichtige Information

Wir haben Cookies auf Deinem Gerät platziert. Das hilft uns diese Webseite zu verbessern. Du kannst die Cookie-Einstellungen anpassen, andernfalls gehen wir davon aus, dass Du damit einverstanden bist, weiterzumachen.