Werbung - Warum schalten wir Werbung?
Unterstütze per PayPal
Willy
Ehrenmitglied-
Gesamte Inhalte
897 -
Benutzer seit
-
Letzter Besuch
Inhaltstyp
Profile
Forum
Kalender
Alle Inhalte von Willy
-
-
-
-
-
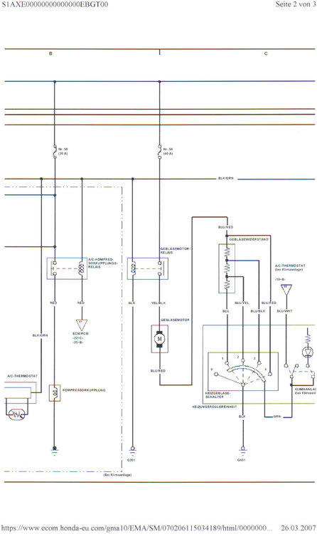
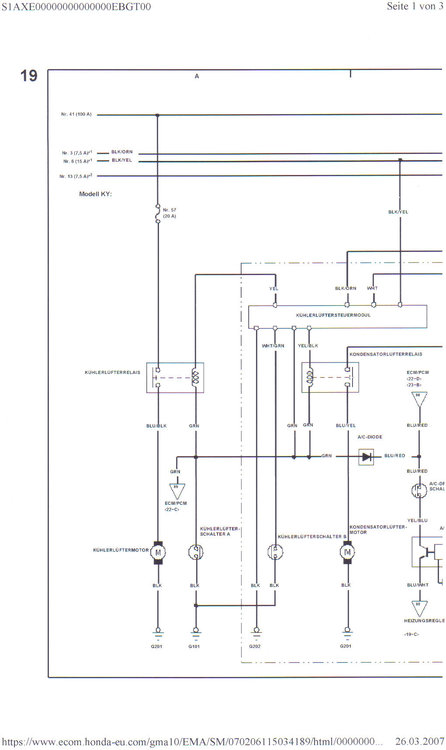
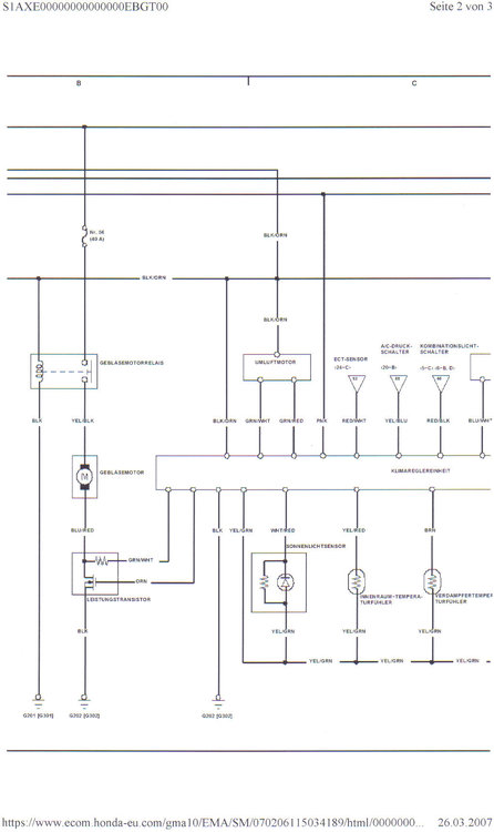
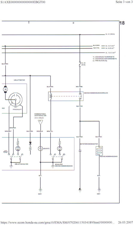
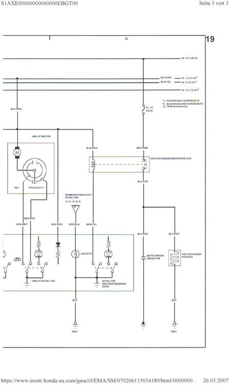
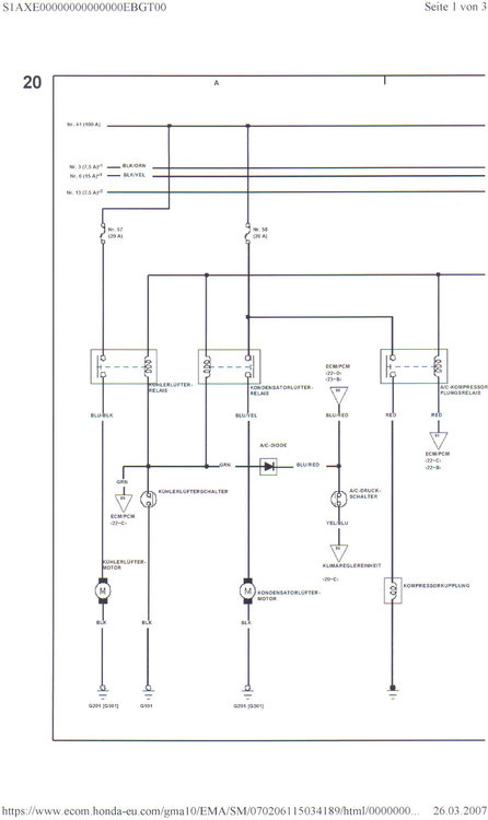
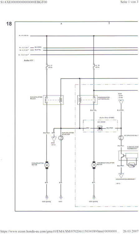
hab ne schaltplan vom cg9 fuer klima und luefter steuerrung kannich dir morgen evtl schicken
-
Also, gefunden habe ich etwas... muss ich nur noch scannen.
-
Anregungen fuer CE2 "pimpen"/aufbereiten
Willy antwortete auf Willy's Thema in Accord CC & CE (Bj. 91-98)
Felgen braeuchte Ich auch noch paar 17" aber fehlt leider das Geld muss erstmal sehn wieviel vom CE2 nun lackiert wird. Fals jmd noch Paar alte gammliche 17" fuern CE2 hat ich nehm sie. :D -
Ja wenn nicht dann schreib ich's selber, bin nur zufaul z.Z. :D
-
Morgen kann ich mal gucken....hab z.Z. viel umme Ohren ich versuch schon zuhelfen wo ich nur kann Mfg Willy
-
Alles Geistigerduennschiss :wall: Honda Accord 2,4L 190Ps faehrt weit ueber 200km/h ist org auf Gummiventilen Honda Accord 2,2L 140Ps faehrt auch ueber 200km/h ist org auch auf Gummi Honda Civic 2,0L Typ-R 200Ps org auf Gummi
-
Anregungen fuer CE2 "pimpen"/aufbereiten
Willy antwortete auf Willy's Thema in Accord CC & CE (Bj. 91-98)
Also Repbleche nur vom Haendler weil woanders gibts die leider nicht da die Fzg. zuselten sind. Bin selber grad dran nen Unimuffler eintragungs fit zumachen mal sehn obs wird. Der LK ist beim Accord ist nahezuimmer 4x114,3 zumindestens bis zur CH und CG Baureihe -
DAs Prob liegt darin das du beim Honda nicht den ganzen "schnorchel" der Zapfpistole rein schieben kannst sondern nur bis zum ersten von zwei Kerben in der Pistole. Also kurz gesagt wenn die Zapfpistole zuweit drinne ist dann ist das Bauartbedingt so das das Einfuellrohr zum Tank soo doof gebogen ist etc, das die Pistole immer Kraftstoff abbekommt und denkt der Tank ist voll. Versuche mal die Pistole nich ganz rein zuhaemmern dann sollte es funzen.
-
Die Antenne kannst du wieder bauen, selber ohne geld auszugeben. Fals du deswegen fragen hast kann zur Not mal gucken ob ich im Werkstatt handbuch nen auszug dazu finde und den posten. Wenn es dein verlangen ist :)) Mfg Willy
-
Anregungen fuer CE2 "pimpen"/aufbereiten
Willy antwortete auf Willy's Thema in Accord CC & CE (Bj. 91-98)
Also meine auch kurz nachdem Ich meinen hatte, Scheibentoenen muss ich auch noch machen, trau mich selbst aber nicht soo ran. Deiner hat keine Klima? Bin Ich froh das Ich die habe sonst muesst ich ja immer soo......naja im sommer halt jeder weiss was ich mein. :D Kurze FRAGE: CE 2 kannst mir mal paar bilder von deinem ESD schicken und verraten ob die eingetragen sind? -
Macht der Luefter im normalen Betrieb alle Stufen problem los? Denn hin und wieder gehen die Wiedersatende mal kaputt, ist aber eher seltener. kann auch von der WEbasto aus schon nich funzen. Am besten das Teil mal beim Fachmann an Tester anschliessen die Geraete speichern ja saemtliche starts mit Ziet und Dauer etc. meines Wissens.
-
Tacho umbau und jetzt grosses Prob.
Willy antwortete auf DrehondaCE9's Thema in Accord CC & CE (Bj. 91-98)
dann meinen Glueckwunsch, sei froh denn das Wegfahrsperren-steuerteil is sehr teuer. -
Prinzipiell kannst die Schriftzuege entfernen, etwas Politur zum auffrischen des Lackes solltest aber doch nehmen...und das mit der Antenne kann man evtl. auch beheben. Fals du Fragen zur Antenne hast einfach nochmal ne PM schreiben.
-
Hallo, von welchen Luefter ist die Rede? Heizungsluefter?
-
Anregungen fuer CE2 "pimpen"/aufbereiten
Willy antwortete auf Willy's Thema in Accord CC & CE (Bj. 91-98)
Hab das auch schonmal gedacht :D kommst du etwa aus dem Saarland? aber eigentlich wenn ich da grad soo gucke sind die Scheiben an dem Roten von mir ja nur "verspiegelt" sind. Aber das passt schon wie die Faust auf's Auge. Also wenn meiner mal nimmer ist dann muss sich mein DAD nene neues autokaufen damit ich sein CE haben kann.. -
Anregungen fuer CE2 "pimpen"/aufbereiten
Willy antwortete auf Willy's Thema in Accord CC & CE (Bj. 91-98)
DVD ist bereits vorhanden, also wollte ich mal noch auf TV gehen. und dazu muss gleich ide passende Antenne dran. -
Anregungen fuer CE2 "pimpen"/aufbereiten
Willy antwortete auf Willy's Thema in Accord CC & CE (Bj. 91-98)
Sowas will Ich eig. vermeiden und halt siehe weiter unten. Wegen TV etc dann doch gescheite kloine Dachantenne. -
Tacho umbau und jetzt grosses Prob.
Willy antwortete auf DrehondaCE9's Thema in Accord CC & CE (Bj. 91-98)
FAls noch keine Loesung vorhanden ist, hatte selber das Prob das nix mehr ging bei nem ollen Civic 5Tuerer, dort war die "Antenne" um das Zuendschloss defekt, allerdings sollte die Wegfahrleuchte blinken. Hab jetzt auch grad um die Uhrzeit kein anderen Einfall, ausser Wegfahrsperren-Steuerteil aber das is is zeimlich "billig" 200 -250€. Will ja aber mal nix beschreien. Ambesten Abzum Vertragshaendler, Tester ran und gucken. -
Anregungen fuer CE2 "pimpen"/aufbereiten
Willy antwortete auf Willy's Thema in Accord CC & CE (Bj. 91-98)
Du aber auch und der Rote errinnert mich an den von meinen Eltern, den du auf den Bildern mit drauf hast. -
Anregungen fuer CE2 "pimpen"/aufbereiten
Willy antwortete auf Willy's Thema in Accord CC & CE (Bj. 91-98)
Bin selber Mechaniker von daher, sollte das Geschicke vorhanden sein. :D -
Anregungen fuer CE2 "pimpen"/aufbereiten
Willy antwortete auf Willy's Thema in Accord CC & CE (Bj. 91-98)
Also der ESD is nur ne Anschraubblende, von meiner Chefin ihr ehemaligen S2000. Werd mir wohl nen Ovales Anschweissrohr zulegen, weil find es soo eigentlich dezent kuhl. Der Koti geht ganz einfach ab: 1. Stossfaenger abbauen 2. Schweller abbauen 3. Alle Schrauben vom Koti wech und runter damit. Und nen Koti hab ich auch schon Zuhause stehen. Insachen Antenne wird wohl ne Haifischflosse soo ne kloine mit TV-Moeglichkeit, da ich ja schon 2 Monitore im Accordi habe, ist das die Moeglichkeit zum ausbau auf TV naeher. Aber Morgen wird erstmal Ausgeschweisst und zugecleant, bzw das is ja dann wohl doch schon Heute. Dieser bloede Salz laesst mein ganzen Wagen noch wegrosten. Mfg Willy
