Werbung - Warum schalten wir Werbung?
Unterstütze per PayPal
Alex
Members-
Gesamte Inhalte
118 -
Benutzer seit
-
Letzter Besuch
Inhaltstyp
Profile
Forum
Kalender
Alle Inhalte von Alex
-
spoiler anbringen *endlich geschafft seite 2*
Alex antwortete auf civica's Thema in Accord CG & CH & CL3 (Bj. 98-03)
Jepp, hab ich drauf. Die Kabel haben sie bei mir links bei den Verschraubungen zwischen dem äußerem Blech und der inneren Versteifung in Richtung der Innenverkleidung der Klappe raus geführt. Gehen dann in dem Kanal am linken Scharnier runter und sind dann an die Kabel der linken Bremsleuchte angeklemmt. Bei Bedarf versuche ich Dir noch mal ein Foto zu machen, sobald es mal wieder hier trockner ist. Gruß, Alex -
Was bitte ist denn der Spritzschutz in der Tür? Gruß, Alex
-
Naja, ist ja auch richtig, der Equalizer ist quasi zwischen Vor- und Endstufe geschaltet. Das soll zum einen Verzerrungen und Übersteuerungen verhindern, zum anderen wird damit der Klang beeinflußt. Deswegen kannst Du das Bose ja auch aufreißen und es verzerrt trotzdem nichts... Gruß, Alex
-
So, die Würfel sind gefallen, hab grad für 26€ ein neues Chrunch "Drive CDS5.2C" ersteigert. Mal gucken wie's rein paßt und klingt. Nee, da Bose wird weiterhin funktionieren, da die Boxen in den Türen ganz normal vom Radio angesteuert werden, nur der Sub läuft ja über den Eqalizer, der wiederum nur dem Radio auch saubere, nicht verzerrende Signale zukommen läßt. Desweiteren hat das Radio Endstufen, die für 4-8 Ohm ausgelegt sind. Genau, wie jedes normale Autoradio auch. Das Radio ist ja auch ein normales Alpine, nur mit Honda-Software und dem eingeschliffenen Equalizer, quasi wie zuhause die Stereoanlage, wo es ja auch heute noch Einzel-Equalizer für gibt. Gruß, Alex
-
Du meinst die Zusatzhochtöner mit Kondensator?Hmm, wäre auch ne Maßnahme... Mit der Musik ist das so'n Problem. Reicht von Nena bis Rammstein, gerne laut mit viel Bass, aber meist eher normal mit Klang und Bass, wobei das Bose untenrum eh schon sehr lasch ist, obenrum geht's. Dachte schon so an Helix, Chrunch od. Hifonix oder so... Gruß, Alex
-
Um das ganze mal zu aktuallisieren: will meine Bose vorne ensorgen und suche ein 2-Wege Kompo-System, aber ohne irgendwas auszusägen ( bis auf die Hochtöner natürlich ) oder so. Preis sage ich mal bis 100€. Irgendwer ne Idee? Gruß, Alex
-
CD-Wechsler bei Bose-system
Alex antwortete auf kaidabei's Thema in Accord CG & CH & CL3 (Bj. 98-03)
Guckst Du hier: https://www.accordforum.de/thema773.htm Da findest Du alle Info's, die Du brauchst. Hier meinen Wechslereinbauplatz. Ist zur Zeit allerdings nur in die reine Innenverkleidung geschraubt, werde ich also wohl nochmal'n dünnes Blech hinter machen.. Gruß, Alex -
Moin! Kann mir mal irgendwer ein Foto von seinem Lederschaltknauf aus dem CG machen, möchte gerne wissen, wie er aussieht, bevor ich ihn mir evtl. bestelle. Gruß, Alex
-
Bose Subwoofer tut nichts im 2000er 1.8 ES
Alex antwortete auf Moasda's Thema in Accord CG & CH & CL3 (Bj. 98-03)
Hmm... mal schauen, irgendeine Endstufe mit mindestens 4V-Signaleingang ( Wenn das bei 5V mal reicht ), die ich dann aber in der Empfindlichkeit regeln kann. Die kann ich dann evtl höher aussteuern... Gruß, Alex -
@havi, Du scheinst'n Bose System drinnen zu haben, ist bei mir genauso... Hat das schon mal wer ausgebaut? Weil der Klang ist ja nun nicht wirklich prickelnd. Das sollten doch auch ganz normale 4Ohm - Lautsprecher sein??? Gruß, Alex
-
Naaa, Konni, was macht die Bestellnummer vom Lenkrad??? ?( Setz doch bitte auch mal ein Foto von rein! Könnte eigentlich das aus'm 2000er 3,0L-Coupe auch passen? Das hat nämlich nicht so dusselige Hupenknöppkens... Dachte vielleicht, die Airbag-Einheit paßt. Wird denn bei dem Lederlenkrad die Abdeckung von dem Orginalen übernommen? War halt nur so'ne Idee Doch hattest Du, aber Konni hatte wohl auch noch ein anderes gefunden, was ihm der Händler rausgesucht hatte und auch nicht so teuer was. Könntest Du vielleicht nochmal ein Foto rein setzen, die Dinger oben gehen nicht mehr auf?? Gruß, Alex
-
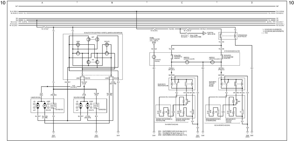
Sollte alle Klarheiten beseitigen... :angel: Gruß, Alex SpiegelAuswechseln des elektrisch verstellbaren Außenspiegels20.doc
-
brauche bilder von einem cg8 mit 30/40 Tieferlegung.
Alex antwortete auf Sanja010's Thema in Accord CG & CH & CL3 (Bj. 98-03)
-
Ja nee, das ist soweit klar, aber bekomme ich die Bezüge denn so einfach runter? Gruß, Alex
-
Bekommt man dennn die Accordsitze so einfach naggisch, daß man die Matten einbauen kann?? Gruß, Alex
-
Hab das Problem, das bei richtigen Bodenwellen ( also nicht bei kurzen Stößen ), wo der Wagen richtig durchfedert, mein Fahrersitz wackelt. Aber irgendwie fühlt sich das an, als wenn in der Rückenlehne irgendwas schlägt. Hält man die Hand an die Seite, spürt man nämlich nichts. Hat das schonmal wer gehabt?? Gruß, Alex
-
Fernlicht Leuchtweite einstellen
Alex antwortete auf Enno's Thema in Accord CG & CH & CL3 (Bj. 98-03)
So, mehr hab ich leider auch in der Rep-CD nicht gefunden. Mußte ich als Word-Datei machen, ging nicht anders. Gruß, Alex Accord CG Scheinwerfer einstellen.doc -
-
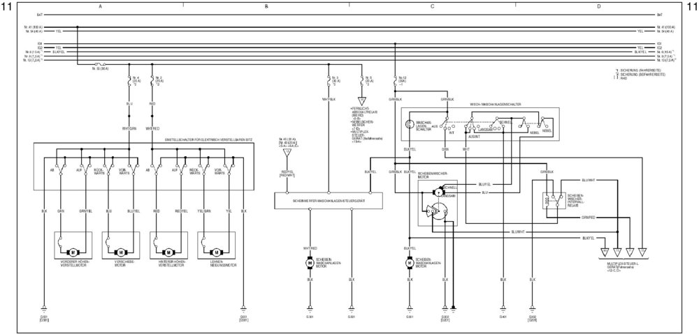
Wenn ich mir das im Schaltplan so anschaue, können wir da alles vergessen. Das scheint mit über das Multiplex-Steuergerät zu laufen. Gruß, Alex
-
Vermisse immer mehr den regelbaren Wischerintervall aus meinem alten Carina. Gibt es bei Honda irgendein Model, welcher das hat. Passen die die Lenkradstöcke evtl. dann auch in den Accord? Gruß, Alex
-
Ähh... der Thread ist dann überholt, glaub ich! Mit Alpine ist klar, ist halt die Honda-Software drauf, die mit dem M-Bus nicht kompatibel ist, ohne Adapter. Wobei das Kästchen n'Witz ist. @big E Natürlich haben wir schon drüber diskutiert, liegt ja alles auch schon locker 2 Monate zurück. Ob's funktioniert, weiß ich noch nicht. Adapter und Alpine CHM-630 liegen hier, hatte aber noch keine Zeit zum Einbauen. An dieser Stelle nochmal meinen Dank an alle, die mit mir in den verschiedenen Threads das Thema Bose - anderes Radio, respektive Bose - Cd-Wechsler soweit auseinandergepusselt haben, daß jetzt schon etlich davon provitieren konnten, auch aus anderen Honda - Foren. Gruß, Alex
-
Muß jetzt gestehen, keine Ahnung! Die haben den im Zuge meines Kaufes gleich mit angebaut... Ich wollte ihn ja selbst anbauen, aber wenn mir wer die Arbeit unbedingt abnehmen möchte...bitte! Schaut aber bei Druntergucken recht gut aus! Gruß, Alex
-
Gibt laut Zubehör-Liste von Honda im Internet auch einen Doppelrohr-Endtopf in 2x45 ohne Krümmumg, natürlich auch Edelstahl. Soll dort 315€ kosten. Ich habe mir den von Funtech in 2x76 gegönnt, allerdings wußte ich da von dem Honda-Schalldämpfer nichts. In 2x76 ist der ganz schön wuchtig. Aber seht selbst: Gruß, Alex
-
Naja, in Ordnung ist was anderes. In dem Kästchen sind 2 IC's, 4 Transistoren und 1 Kondensator verbaut, Materialwert mit Buchsen und Kästchen höchstens 10€. Sollte man vielleicht mal nachbauen... :motz: Naja, dank Ebay gibet wenigstens halbwegs günstige Wechsler. Hab grad den 630 für 99€ ersteigert, ist'n halbes Jahr alt, unbenutzt mit Rechnung, was will ich da mehr? Gruß, Alex
-
Laßt doch die Inselaffen in Ruhe, guck mal unter Caraudio24, da gibt es sogenannte CD-Interfases. Damit kannst Du verschieden Alpine-wechsler betreiben, auch den MP3. Kostet dort mit Porto 105€ Gruß, Alex
