Werbung - Warum schalten wir Werbung?
Unterstütze per PayPal
Willy
Ehrenmitglied-
Gesamte Inhalte
897 -
Benutzer seit
-
Letzter Besuch
Inhaltstyp
Profile
Forum
Kalender
Alle Inhalte von Willy
-
infrarot Fernbedienung lernfähig ???
Willy antwortete auf Orca78's Thema in Accord CC & CE (Bj. 91-98)
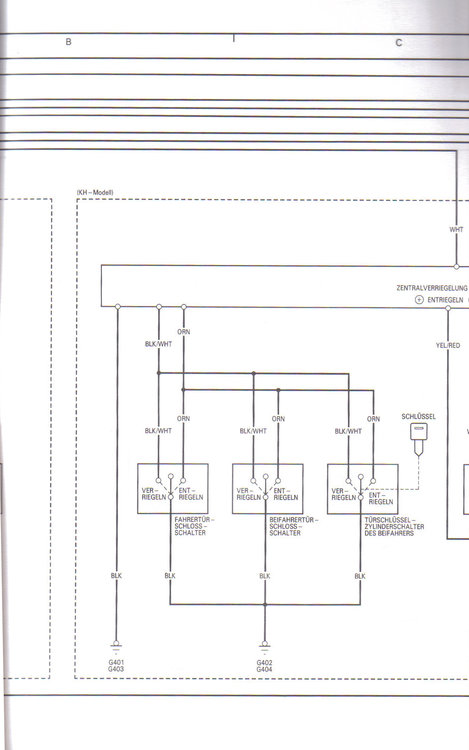
Ich hoffe das reicht dir Christian, mit dem Schaltplan+den 3 Erklaerungsbildern wo das FB-Steuerteil sitz und welche Kabel(Farben) von dort bis zum ZV-Steuerteil in der Fahrertuer gehen. -
infrarot Fernbedienung lernfähig ???
Willy antwortete auf Orca78's Thema in Accord CC & CE (Bj. 91-98)
Da kannst du von Glueck reden das ich z.Z. das WHB vom QP da habe welches ja def. die selbige elektrik wie der Aerodeck hat .o0( Ich scanne mal das ganze Buch ab, kann aber dauern und dann uebermittel ich dir die Seiten ) Bei meinen Ellis muss ich auch noch ne FB mit via Funk nachruesten da der Infrarote FB gefehlt hatte beim Kauf vor uebereinem Jahr aber da es ja nen ES ist muss ich nur die Steuerteile der FB tauschen oder das andere dort einschliessen und anpassen das hatte mein Ehemaliger Arbeitskollege bei seinem MB Civic auch gemacht ist auch das einfachste -
-
-
Also meine Person wohnt mit knappen 23Lensen (Jahren) schon in der 2ten Mietwohnung mit ca. 90m² Wohn- und ca. 40m² Nutzflaeche und 3 Zimmern + Dachboden (welcher nur aus der meinigen Wohnung zugaenglich ist) + großem Keller (der doch jetzt wieder zuKLEIN ist mit ca. 20m²)+ 2 Stellplätze im Hinterhof fuer das Auto (Fiat meiner Freundin) und meinen HONDA Accord Aerodeck CE2 (Bj: 10/1995, EZ: 06/1996). und wer sich fragt wo das den sei schaut einfach in die Landkarte den dafuer ist diese da :D:D:D Ach ja eins Haett ich noch Fast vergessen neben meiner Freundin gibts da noch nen roten Stuben-Tiggger Namens "ELVIS" Mfg Willy
-
infrarot Fernbedienung lernfähig ???
Willy antwortete auf Orca78's Thema in Accord CC & CE (Bj. 91-98)
Ich persoenlich wuerde versuchen den ollen Handsender zurueckgeben und ne gescheite funk-zv verbauen z.B. von Waeco oder aehnliches ist kein billiger Schrott ich hatte noch nie Probleme mit den Waeco haben die bei uns in der Firma oft verbaut -
vielleicht irgendeine Ueberspannung, schon mal nen Multimeter rangehangen? bekommt vielleicht auch nen Kurzschluss von Zeit zu Zeit........
-
infrarot Fernbedienung lernfähig ???
Willy antwortete auf Orca78's Thema in Accord CC & CE (Bj. 91-98)
Moin, jo kann ja auch eigentlich nicht funktionieren wenn du nen X-beliebigen Sender hast der zum Empfaenger nicht passt. Ich persoenlich haette mir nen Zubehoer ZV-Einheit ohne motoren oder soo zugelegt und und des Steuergeraet gegen das Infrarotsteuerteil ersetzt und halt dann Funk gehabt. ist eh schoener da groeßere Reichweite. Mfg Willy -
naja nen org. Aussehnder ist nie das Problem. So ein hab ich bei meinem DAD seinem auch dran un der bekommt jetzt auch noch nen MSD. und sooo sind die anderen mit ABE die Sport-ESD.....
-
So weit ich gelesen haben sind die alle mit Gutachten bzw. ABE das sind schon komplette Schaldaempfer passend fuer den CE1/2 nen Anschweiss-zeug fuer den Preis ist mir sonst zuwieder.... :) Wenn du einen bestellt haben sollst dann stell mal nen Soundfile online...damit ich hoeren kann und dann evtl auch ein kaufen....... Mfg Willy
-
Aber Christian, die Jungens wollen doch nen Sport-ESD am liebsten und da hab ich wiederum was fuer die lieben Jungs http://www.verschleissprofi-tuning.de daaaaa gibts ganz viele Endrohrvarianten
-
also soo passen die wohl.....aber da die Stoßfaenger hinten unterschiedlich sind geht da der Mist schon wieder los...... fuern CE2 gibts auch Sportschalldaempfer Kosten lagen knapp unter 300.- von ner Firma aus Chemnitz (frueheres Karl-Marx Stadt) :D Ich schau wenn ich heut abend zuhausbin mal nach der URL muss jetzt erst mal zum Rotkreuz lehrgang.
-
Radlager def. Bremssattel def. alles bloed
Willy antwortete auf Willy's Thema in Accord CC & CE (Bj. 91-98)
Hab ich gemacht und nun bin ich ja mal gespannt was er meint... -
hast du evtl nen Schiebedach? steht oder stand das auto unter baeumen? schon mal nen Gießkannen test gemacht?
-
Radlager def. Bremssattel def. alles bloed
Willy antwortete auf Willy's Thema in Accord CC & CE (Bj. 91-98)
Das alte Leiden entweder ist der Kolben fest oder die Hebelagsche fuer die Feststellbremse. Ja wenn dann wirds wohl soo sein und ich wechsel gleich beide plus Radlager weil die sind ja auch schrott hab mich schon gefragt obs an den ollen Winterschlappen liegt weils nun soo rauschte.... ist schon nen bissel was sooo Belaege HA Staubbleche. mein Portemonee freut sich da bestimmt auch (dies ist aus Zwiebelleder) -
Habe mich Heute mal unter mein Accordi begeben und musste boeses feststellen beide Radlager hinten und ein Bremssattel sind def. und dabei hat mein Waegelchen doch erst 203Tkm. Und die Stabigumi's sind auch noch verschliessen. Das wird wohl ne GR. Ich glaube das wird wiedermal nen teurer Spass...... *heul*
-
Motorwechsel am CE2 welche passen 100%ig?
Willy antwortete auf Willy's Thema in Accord CC & CE (Bj. 91-98)
naja wusst ich auch schon werd mir wohl mal nen geschrottet CE2 kaufen dann kann ich auch gleich noch die Polster beledern lassen und die Tueren und alles andere wie Klima verkauf ich dann dem Christian :D -
Motorwechsel am CE2 welche passen 100%ig?
Willy antwortete auf Willy's Thema in Accord CC & CE (Bj. 91-98)
Ich wuerde schon den 2,2er nehmen die Frage war halt die kompatipilaet des Kabelbaumes auf z.B. den 2,2er ausm Prelude denn wenn ich meinem CE nen anderen Motor verpflanz sollte der annaehernd auf unter 100Tkm haben bzw frisch geschliffen und paar Dichtung erneuert bekommen wuerde auch den F20B3 wieder nehmen das der Sauger mit seinen 136Ps nicht die Welt der optimalen Grundlage ist weiss ich selber da ohne Vtec etc. da aber selbst der 14Ps staerkere 2,2er ausm CE1 ist die die Basis die ich braeuchte. naja wir werden sehn wie es sich entwickelt. eins steht zu mindest fest ich verbau nur den Motor der an mein Kabelbaum ohne große veraenderung ran passt. -
Alarmanlage/Wegfahrsperre bei Batterieabklemmung
Willy antwortete auf crittersking24's Thema in Accord CG & CH & CL3 (Bj. 98-03)
und die Ohren zuhalten wenn du die Batterie anklemmst, weil wenn diese org ist bzw. wie die org. geklemmt hupt die dann los.....ansonsten schon mal viel Spass im Voraus -
Ich glaube einen aehnlichen Thread gab es schon mal jedoch ist meine Ueberlegung jetzt, welche Motoren passen an das org. Getriebe/Kabelbaum? mal vom CE1 abgesehn oder vom QP....und kleiner motorosierten Modellen. oder kann mir einer nen Tuner nennen welcher Nockenwellen etc. fuer den F20B3 im Programm hat? wobei mir ja nen frisch gemachter etwas aufgepeppter org. Motor ja eh am liebsten ist zwecks keine Probs in Sachen Eintragung.
-
bin und werde nie soldat sein.. von daher... naja.... aber soo kann jeder "DAU" sowas machen mit soo ner schoenen erklaerung
-
Das Geraeusche geht noch viel weniger weg um sooo mehr KM die Maschine weg hat. ich hab den Vergleich mitm CE2 mit ueber 200Tkm (meiner) und unter 100Tkm (mein Vaddan seiner) das unterschied wie Tag und Nacht.
-
na da muss man doch mal nen LOB aussprechen das is ja schon fast idioten sicher gemacht :)
-
kommt drauf an, was haste denn vor? Beleuchtung defekt? dann kannste mit nem bissel geschick und Radio rausnehmen diese Gluehlampe wechseln. Viel spass und nicht die Finger brechen dabei.
-
Ganz sicher das es vorne ist? gibt fast nur Gummi's oder Radlager....die HondaRadlager haben erfahrungsgemaess nicht immer Spiel wenn sie defekt sind am besten den Wagen mal ausheben und am Rad drehn und hoeren...ich tippe nur radlager oder die gummi's...
